Запчасти Case IH F5GFL413A C005 (10.414.AC) - FAN, SUPPORT (10) - ENGINE

Схема запчастей Case IH F5GFL413A C005 - (10.414.AC) - FAN, SUPPORT (10) - ENGINE
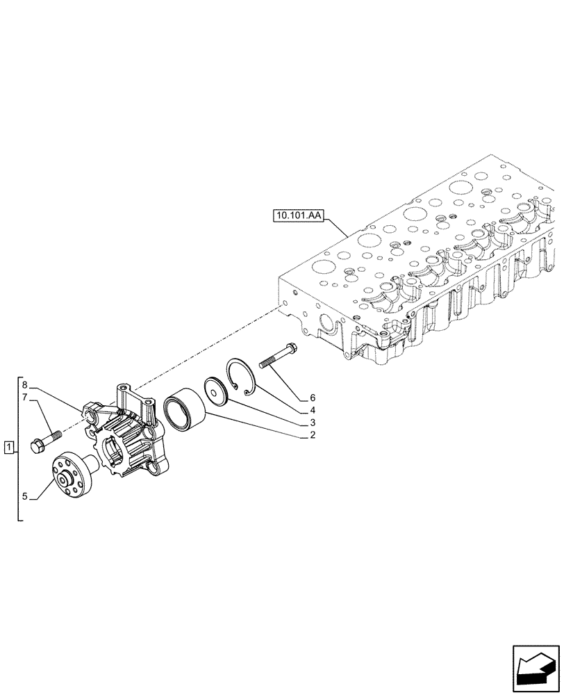
10.101.aa
8
4
1
7
2
6
5
3
FIT
1:1
100%

Артикул

Название

Примечание

Количество

1

5801699183

SUPPORT

Fan support, ASSY, Incl 2 - 8

1шт.

2

4892732

BALL BEARING,34mm ID x 64mm OD x 37mm W

Fan support

1шт.

3

4890732

RETAINER,11.50mm ID x 52mm OD x 7mm

Fan support

1шт.

4

500395697

SNAP RING,M68.2, Int

1шт.

5

4892426

HUB

Fan support

1шт.

6

16676834

FLANGE BOLT,Hex, M10 x 70mm

1шт.

7

16673735

BOLT,Hex, M8 x 1.25 x 25mm

5шт.

8

NSS

NOT SOLD SEPARAT

Fan support

1шт.

Выбрано товаров: 8