Запчасти Case IH F5GFL413A C005 (55.014.AN) - PRESSURE SENSOR, EXHAUST MANIFOLD (55) - ELECTRICAL SYSTEMS

Схема запчастей Case IH F5GFL413A C005 - (55.014.AN) - PRESSURE SENSOR, EXHAUST MANIFOLD (55) - ELECTRICAL SYSTEMS
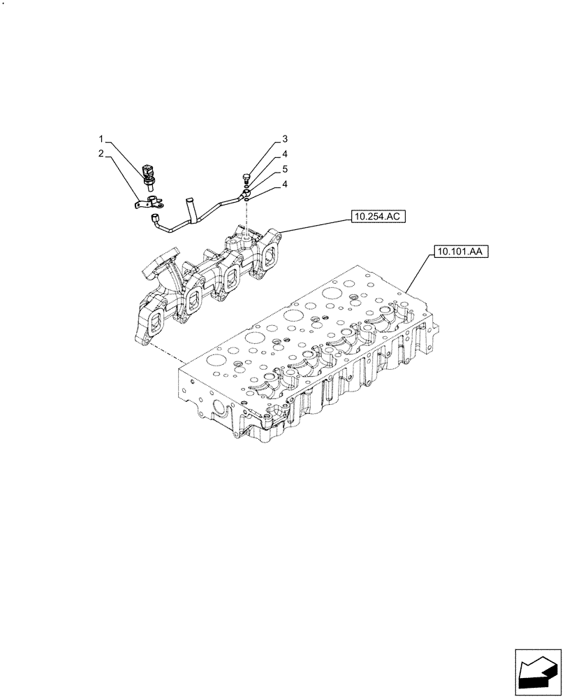
10.254.ac
1
3
4
4
5
2
10.101.aa
FIT
1:1
100%

Артикул

Название

Примечание

Количество

1

5801382522

SENSOR

Pressure, exhaust manifold

1шт.

2

5801757834

BRACKET

Exhaust manifold pressure sensor

1шт.

3

16511214

HYD CONNECTOR,M12 x 1.5 x 30mm

1шт.

4

5801495064

SEAL

2шт.

5

5801757359

PIPE

Exhaust manifold pressure sensor

1шт.

Выбрано товаров: 5