Качественные детали и логистика
Оригинальные и аналоговые запчасти с доставкой по России, Казахстану и Беларуси
©2022 PartSell ООО "Система" ИНН 2463123282 ОГРН 1212400004838
Центральный офис: г. Красноярск, Академика Киренского, д.87, пом.4
Телефон: 8 (800) 777-65-74 Email: zakaz@partsell.ru
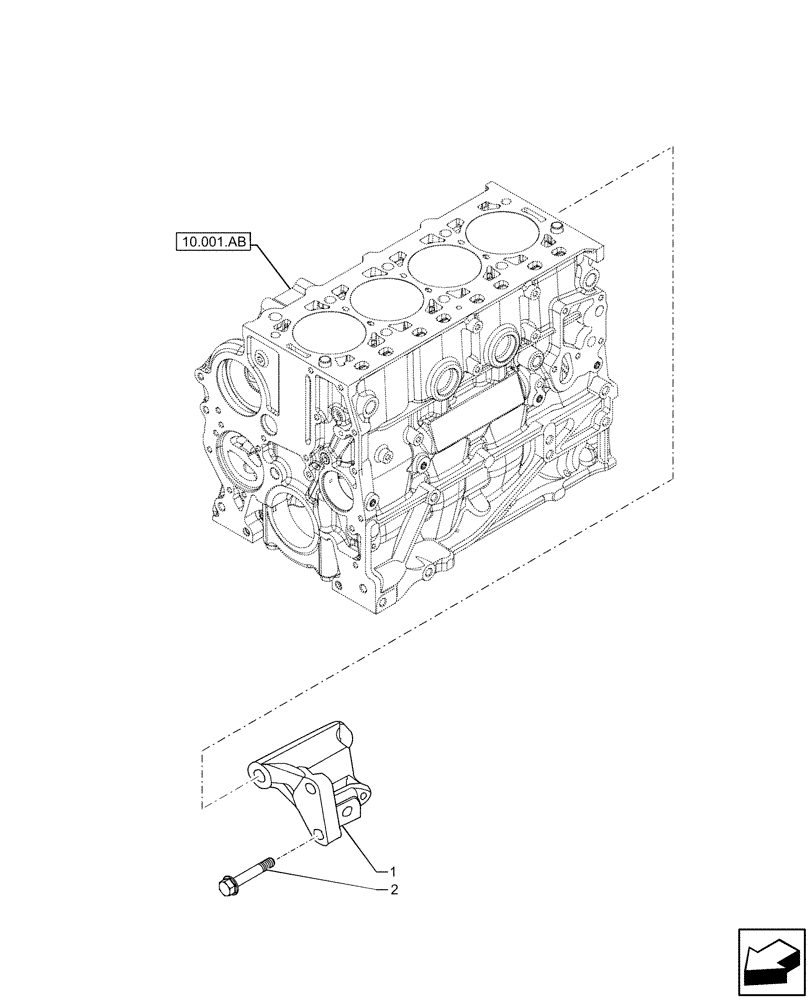
(55.301.AB) - ALTERNATOR, SUPPORT
№
Артикул
Название
Примечание
Количество
1
5801724412
SUPPORT
Alternator
1шт.
5801900326
Alternator support
2
16587625
BOLT,M10 x 50mm
2шт.
16673735
BOLT,Hex, M8 x 1.25 x 25mm
Выбрано товаров: 0