Качественные детали и логистика
Оригинальные и аналоговые запчасти с доставкой по России, Казахстану и Беларуси
©2022 PartSell ООО "Система" ИНН 2463123282 ОГРН 1212400004838
Центральный офис: г. Красноярск, Академика Киренского, д.87, пом.4
Телефон: 8 (800) 777-65-74 Email: zakaz@partsell.ru
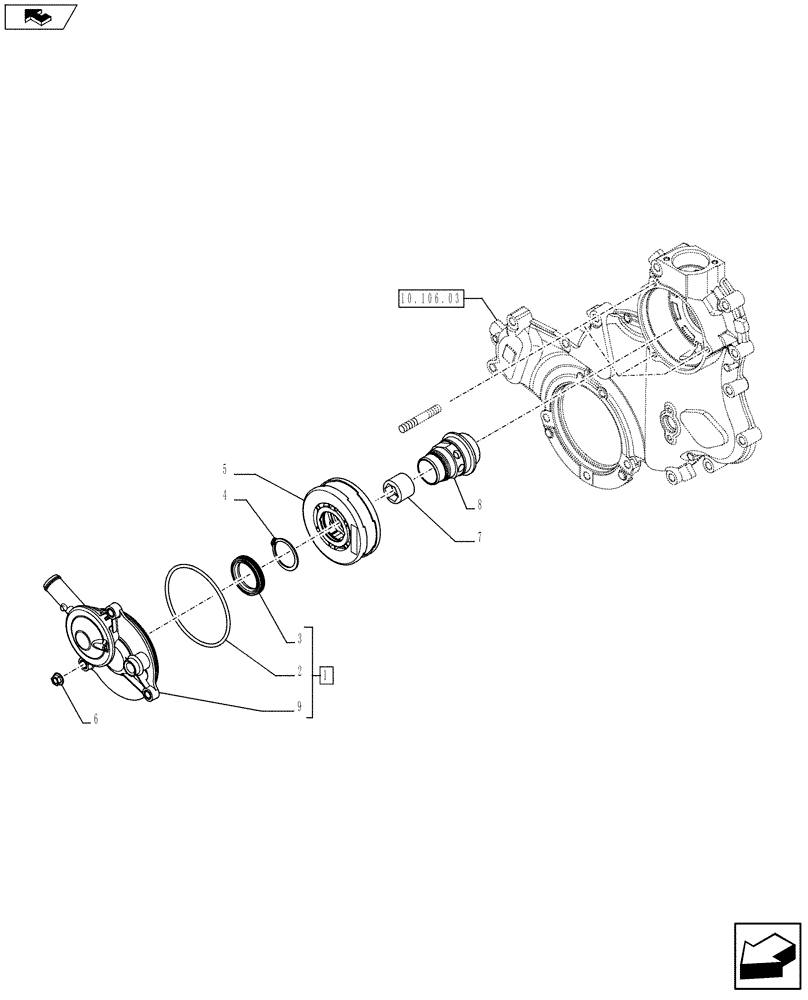
(10.101.03) - ENGINE BREATHERS (504381675)
№
Артикул
Название
Примечание
Количество
1
5801514511
BREATHER
ASSY Contains Ref.2, 3, 9
1шт.
2
504325903
O-RING,91.41mm ID x 3.47mm
3
504050244
SHAFT SEAL
4
16867073
SNAP RING
5
504075145
ELEMENT
6
2852197
FLANGE NUT,M6 x 1
3шт.
7
5801363192
BUSHING
8
5801363191
SHAFT
9
NSS
NOT SOLD SEPARAT
Выбрано товаров: 0