Запчасти Case IH F5HFL413B A001 (10.101.01[01]) - CYLINDER HEAD & RELATED PARTS (504388233) (10) - ENGINE

Схема запчастей Case IH F5HFL413B A001 - (10.101.01[01]) - CYLINDER HEAD & RELATED PARTS (504388233) (10) - ENGINE
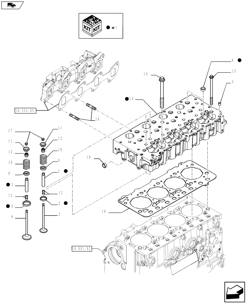
14
4
16
3
10.254.05
13
1
11
12
1
home
19
1
5
13
9
3
2
1
11
1
10
1
18
6
10
15
12
1a
8
10.001.02
1
17
9
1
7
FIT
1:1
100%

Артикул

Название

Примечание

Количество

1

504389002

CYLINDER HEAD

ASSY Contains Ref.1A, 2, 3, 5, 6

1шт.

1

47508144R

REMAN-CYLINDER HEAD

F5HFL413B*A001 ENGINE 5801398328 - 84281129, ASSY

1шт.

1

47508144C

CORE-CYLINDER HEAD

Return Number

1шт.

1a

NSS

NOT SOLD SEPARAT

1шт.

2

504162949

VALVE SEAT

4шт.

3

4749397

VALVE GUIDE,Std

+0.05 mm

8шт.

3

4749398

VALVE GUIDE,+0.10

+0.1 mm

8шт.

3

4749399

VALVE GUIDE,+0.2

+0.25 mm

8шт.

4

99435557

DOWEL,8.50mm Dia

D = 8.5 mm

1шт.

5

504254094

VALVE SEAT

4шт.

6

16988301

PLUG,Lock, 20mm Dia

D = 20 mm

8шт.

7

504387778

STD INLET VALVE

STD ENGINE INLET VALVE

4шт.

8

504387779

STD EXHAUST VALVE

STD ENGINE EXHAUST VALVE

4шт.

9

504178119

RETAINER CUP

8шт.

10

4812347

SPRING

8шт.

11

4780558

CUP

8шт.

12

40101573

SEAL

8шт.

13

4819891

ROCKER ARM COTTER,7.85mm Dia

D = 7.85 mm

16шт.

14

504081521

BOLT,M15 x 1.5 x 193mm

M15 x 1.5 x 193

6шт.

15

504081533

BOLT,M12 x 1.5 x 165mm

M12 x 1.5 x 165

4шт.

16

5801450757

CYLINDER HEAD GASKET,0.80mm Thk

1шт.

17

504387777

CAP

8шт.

18

5801475385

STUD,M8 x 1.25

M8 x 12 x 45

8шт.

19

16990970

PLUG,Lock, 30mm Dia

1шт.

19

16990670

PLUG,Lock, 22mm Dia

4шт.

Выбрано товаров: 25