Запчасти Case IH F5HFL463D F005 (55.014.AL) - TURBOCHARGER, PRESSURE CONTROL VALVE (55) - ELECTRICAL SYSTEMS

Схема запчастей Case IH F5HFL463D F005 - (55.014.AL) - TURBOCHARGER, PRESSURE CONTROL VALVE (55) - ELECTRICAL SYSTEMS
2
4
3
1
10.400.bc
FIT
1:1
100%

Артикул

Название

Примечание

Количество

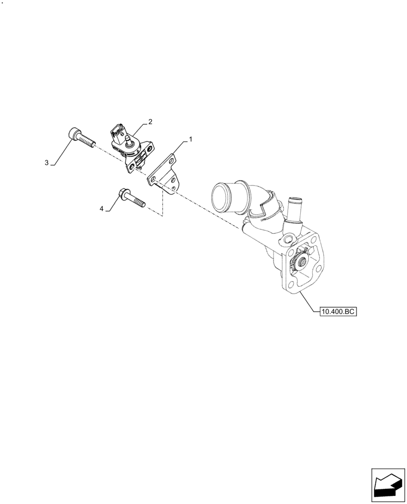
1

5801402756

BRACKET, SUPPORTING

1шт.

2

504385061

VALVE, PRESSURE CONT

1шт.

3

16689121

SCREW,Skt Hd, M6 x 16mm

2шт.

4

18137825

BOLT,Hex, M6 x 16mm

1шт.

Выбрано товаров: 4