Запчасти Case IH FVAE2884X B200 (0.06.0) - CYLINDER HEAD (504078481)

Схема запчастей Case IH FVAE2884X B200 - (0.06.0) - CYLINDER HEAD (504078481)
23
1
19
14
5-20
1
1
22
24
4
7
1
25
1
25
1
24
1
22
23
9
8
17
1
1
3
1
16
12
15
21
1
4
11
1
1
1
10
1
26
1
1
1
1
18
1
21
home
2
1
8
6
0.14.9
13
FIT
1:1
100%

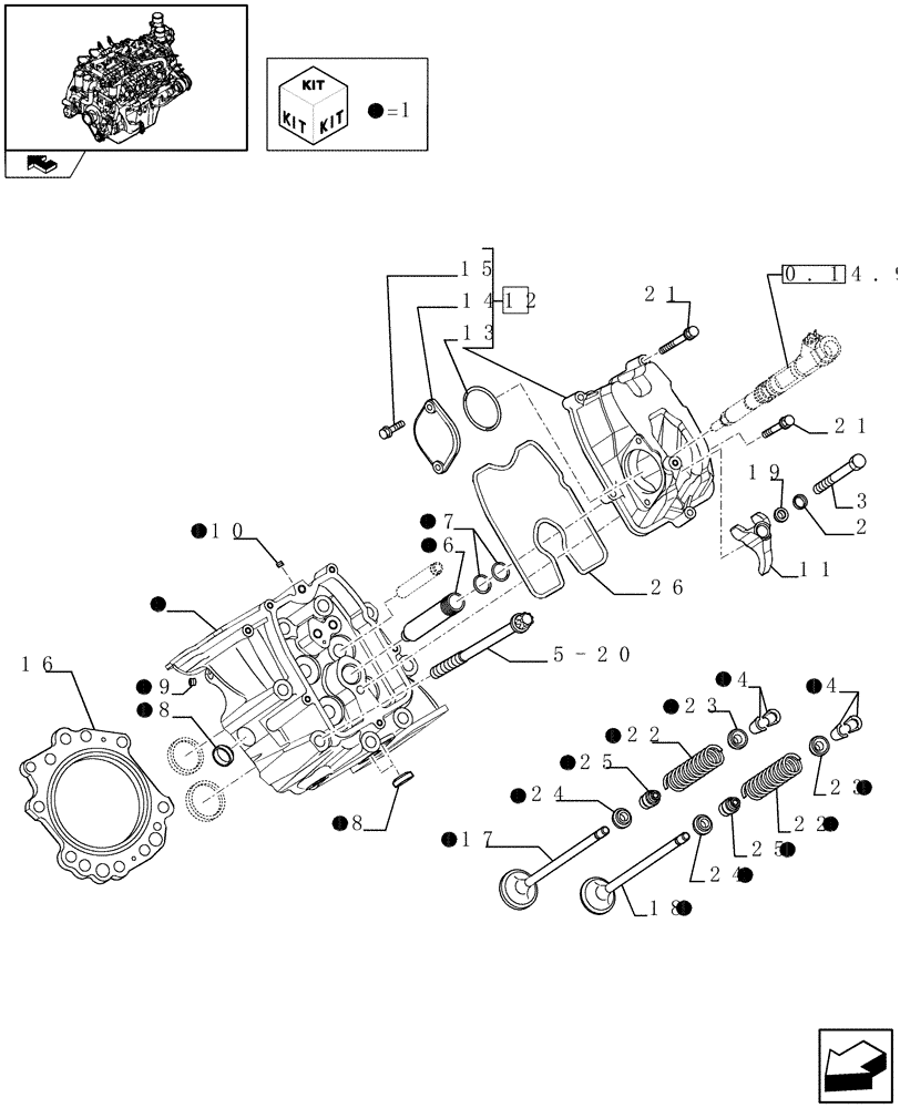
Артикул

Название

Примечание

Количество

1

504162554

CYLINDER HEAD

- ASSY

8шт.

2

504046374

SPRING WASHER

8шт.

3

16709634

SCREW

M10X70 mm

8шт.

4

4833051

RETAINER

64шт.

5

504076961

SCREW

M15X170 mm

48шт.

6

504030171

HOLDER

8шт.

7

2852817

O-RING,1.7mm Thk x 23.5mm ID

D. 23,5 mm SP=1,7 mm

16шт.

8

16990670

PLUG,Lock, 22mm Dia

D. 22 mm

40шт.

9

98472270

PLUG

8шт.

10

17318511

PLUG

M6X1

8шт.

11

504027856

BRACKET

8шт.

12

504044100

COVER

- ASSY

8шт.

13

17280381

O-RING

16шт.

14

504039531

COVER

16шт.

15

2852101

FLANGE BOLT,Hex, M6 x 16mm

32шт.

16

504029013

CYLINDER HEAD

8шт.

17

504120722

STD INLET VALVE

STD ENGINE INLET VALVE

16шт.

18

504078483

STD EXHAUST VALVE

STD ENGINE EXHAUST VALVE

16шт.

19

504046468

WASHER

8шт.

20

504076783

SCREW

M15X185 mm

16шт.

21

504049514

SCREW

M8X1,25X40 mm

40шт.

22

4814897

SPRING

32шт.

24

4675983

CUP

32шт.

25

40101874

SEALING RING

32шт.

26

98481105

GASKET

8шт.

Выбрано товаров: 25