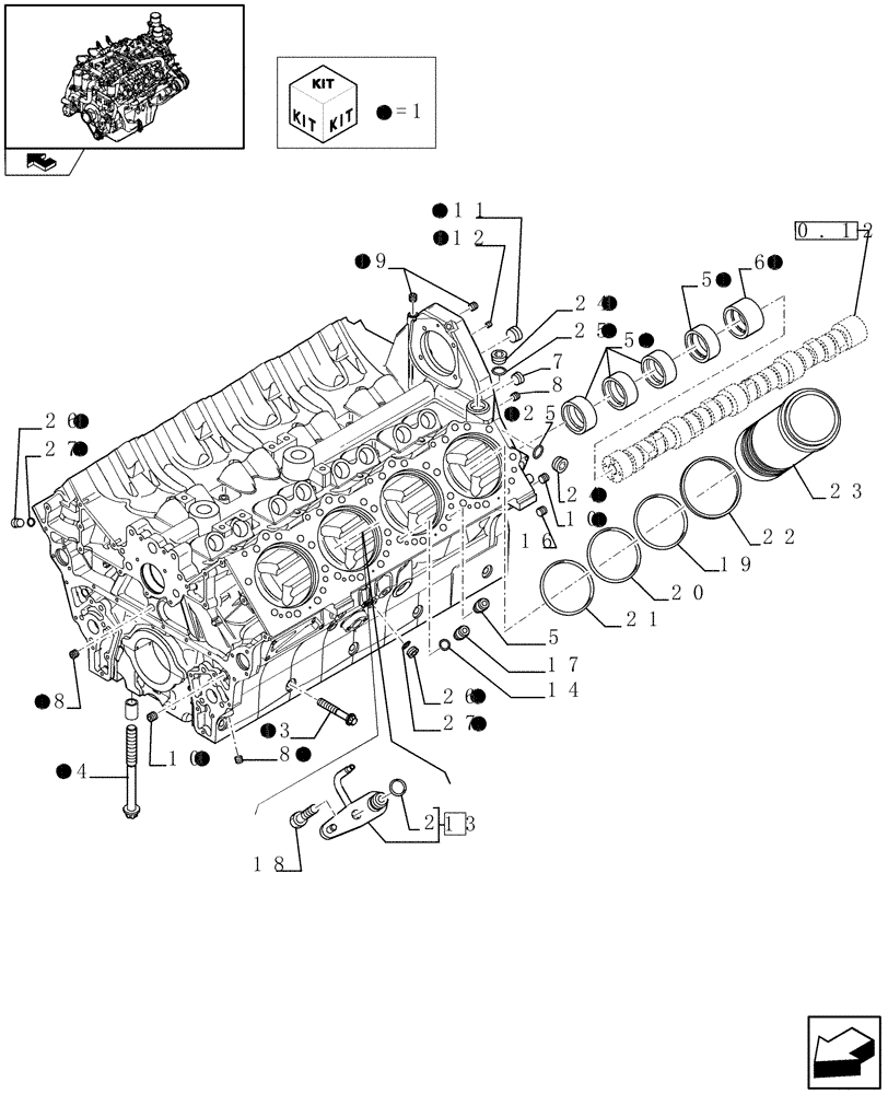
Запчасти Case IH FVAE2884X B200 (0.04.0) - CYLINDER BLOCK & RELATED PARTS (504064685-504076463)

Схема запчастей Case IH FVAE2884X B200 - (0.04.0) - CYLINDER BLOCK & RELATED PARTS (504064685-504076463)
13
27
8
1
8
10
1
25
1
1
1
8
2
1
4
1
1
1
5
12
home
11
5
3
17
5
1
14
26
19
18
1
26
1
20
22
25
1
10
0.12.0
23
1
1
24
1
1
1
9
1
7
1
27
1
16
24
6
21
1
FIT
1:1
100%

Артикул

Название

Примечание

Количество

1

504116336

CYLINDER BLOCK

- ASSY

1шт.

2

17278081

O-RING

D. 10,82X1,78 mm

8шт.

3

504030440

SCREW

10шт.

4

504116246

SCREW

10шт.

5

504029407

BUSHING

4шт.

6

504029406

BUSHING

1шт.

7

98475100

PLUG

3/4X12

2шт.

8

98472271

PLUG

1/4

4шт.

9

98472270

PLUG

1/8

3шт.

10

98474481

PLUG

3/8

4шт.

11

16995111

PLUG,M35 x 1.5

1шт.

12

504036758

SCREW

4шт.

13

504034779

JET

8шт.

14

14452981

O-RING,0.07" Thk x 0.364" ID, -12, Cl 7, 75 Duro

(M9.525 ID x 1.78 Thk)

8шт.

15

10839810

DOWEL,12mm OD x 18mm L

8шт.

16

10838010

DOWEL

D. 16 mm

2шт.

17

4671990

DOWEL

8шт.

18

2852100

FLANGE BOLT,Hex, M8 x 1.25 x 16mm

8шт.

19

504025110

O-RING

8шт.

20

504025111

O-RING

8шт.

21

504092540

O-RING

8шт.

22

4686958

SEAL,165.3mm ID x 173.7mm OD x 0.1mm Thk

8шт.

24

16993715

PLUG

2шт.

25

99469380

GASKET,33mm ID x 45mm OD x 2.8mm Thk

D=33 mm

2шт.

26

16993315

PLUG

2шт.

27

4893207

SEALING WASHER,15.5mm ID x 26mm OD x 1.5mm Thk

18X26 mm

2шт.

Выбрано товаров: 26