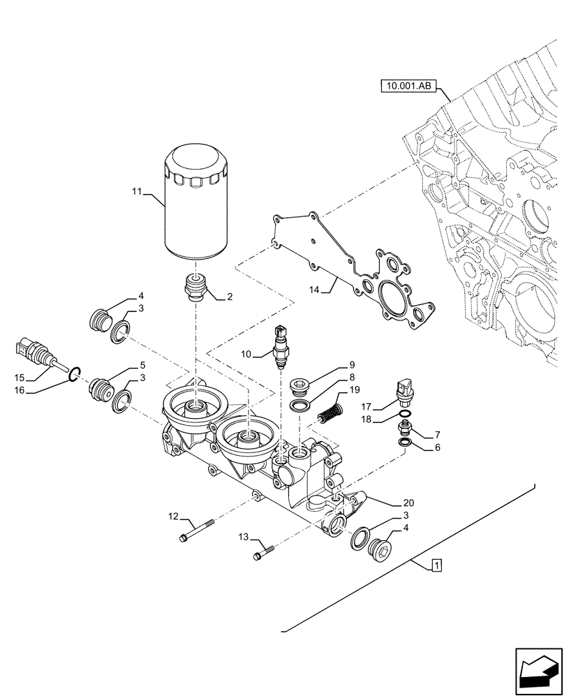
Запчасти Case IH FVAE2884X B200 (10.304.AE) - FILTER ENGINE OIL (10) - ENGINE

Схема запчастей Case IH FVAE2884X B200 - (10.304.AE) - FILTER ENGINE OIL (10) - ENGINE
10.001.ab
16
4
10
11
3
13
5
20
14
19
3
4
8
17
12
7
2
15
6
1
18
9
3
FIT
1:1
100%

Артикул

Название

Примечание

Количество

1

504046229

FILTER HEAD

ASSY, Incl 2, 3, 4, 5, 6, 7, 8, 9, 19, 20

1шт.

2

504045113

FITTING

2шт.

3

99469380

GASKET,33mm ID x 45mm OD x 2.8mm Thk

3шт.

4

16993715

PLUG

2шт.

5

504046492

FITTING

1шт.

6

99489019

SEALING WASHER

1шт.

7

504044568

FITTING

1шт.

8

99432291

GASKET,28mm ID

1шт.

9

16993511

PLUG,Lock, M28 x 1.5

1шт.

10

500351609

SENDER UNIT

1шт.

11

504067504

ENGINE OIL FILTER

2шт.

12

16598325

BOLT,Hex, M8 x 100mm

8шт.

13

16586625

BOLT,M8 x 35mm

6шт.

14

504044305

GASKET

1шт.

15

504046224

TEMPERATURE SENDER

3/4"

1шт.

16

504046225

O-RING

1шт.

17

504046223

SENSOR

Pressure

1шт.

18

504046227

O-RING

1шт.

19

500302241

HYDRAULIC VALVE

1шт.

20

NSS

NOT SOLD SEPARAT

Filter Head, Incl in 1

1шт.

Выбрано товаров: 20