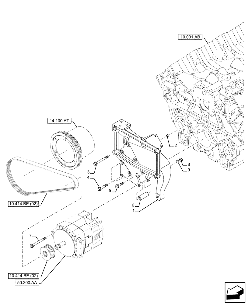
Запчасти Case IH FVAE2884X B200 (55.301.AB) - ALTERNATOR, BRACKET, SUPPORT (55) - ELECTRICAL SYSTEMS

Схема запчастей Case IH FVAE2884X B200 - (55.301.AB) - ALTERNATOR, BRACKET, SUPPORT (55) - ELECTRICAL SYSTEMS
10.001.ab
8
4
1
7
2
6
5
3
9
14.100.at
50.200.aa
10.414.be (02)
10.414.be (02)
FIT
1:1
100%

Артикул

Название

Примечание

Количество

1

504113909

SUPPORT

1шт.

2

98405462

DOWEL

10,2mm Dia

2шт.

3

16677535

M10 x 140mm

4шт.

4

16676635

BOLT

M10 x 60mm

4шт.

6

504042883

SPACER

1шт.

7

16600024

BOLT,M12 x 160mm

1шт.

8

337475

NUT,M12, Cl 10

1шт.

9

17095324

LOCK WASHER

1шт.

Выбрано товаров: 8