Качественные детали и логистика
Оригинальные и аналоговые запчасти с доставкой по России, Казахстану и Беларуси
©2022 PartSell ООО "Система" ИНН 2463123282 ОГРН 1212400004838
Центральный офис: г. Красноярск, Академика Киренского, д.87, пом.4
Телефон: 8 (800) 777-65-74 Email: zakaz@partsell.ru
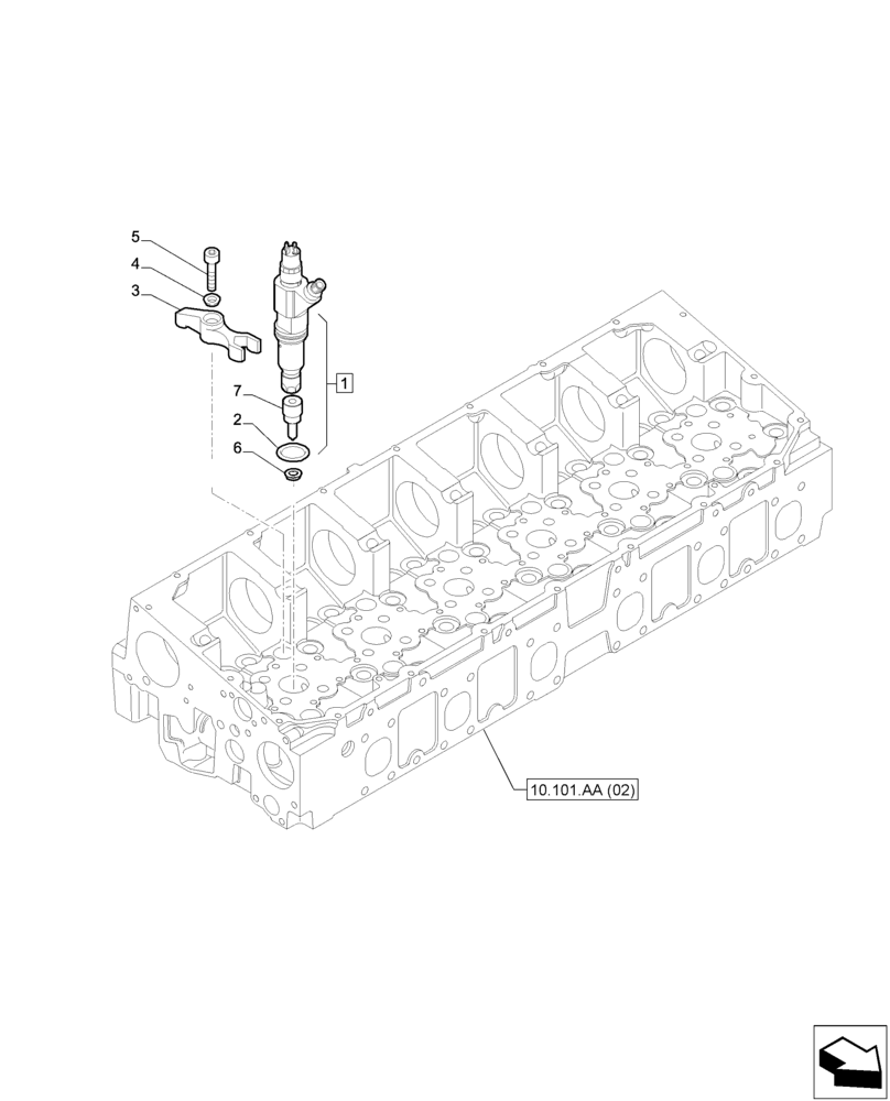
(0.14.8) - INJECTOR & RELATED PARTS (504137249)
№
Артикул
Название
Примечание
Количество
1
504194432
FUEL SYSTEM INJECTOR
6шт.
504194432R
REMAN-INJECT NOZZLE
504194432C
CORE-NOZZLE, INJECT
Return Number
2
17288881
SEALING RING
3
504127841
FASTENER
4
4700162
WASHER
5
500356756
SCREW
M28.17 x 3.53
6
504262598
Injector Sealing Washer - New C9 - ASN 800486 / 881432
7
504215322
NOZZLE
Выбрано товаров: 0