Запчасти Case IH A8000 (0.31.0[02]) - HEAT EXCHANGER (10) - ENGINE

Схема запчастей Case IH A8000 - (0.31.0[02]) - HEAT EXCHANGER (10) - ENGINE
home
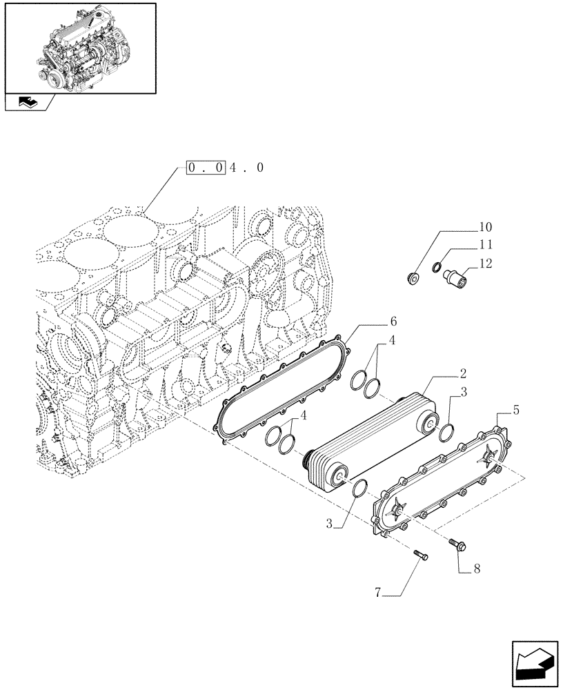
3
7
4
6
0.04.0
2
3
12
10
11
8
5
4
FIT
1:1
100%

Артикул

Название

Примечание

Количество

2

5801663167

HEAT EXCHANGER

For engines with turbocharger cooled by water

1шт.

3

17283481

O-RING

42.5 x 2,6

2шт.

4

17289781

O-RING

47,22 x 3,55

4шт.

5

5801663168

COVER

For engines with turbocharger cooled by water

1шт.

6

504128027

GASKET

1шт.

7

16674535

SCREW

16шт.

8

2856035

SCREW,Flng, M12 x 30mm, Cl 8.8

M12 x 30

2шт.

10

10300714

PLUG,M16 x 1.5 x 14

1шт.

11

5801560870

WASHER

1шт.

12

98498322

THERMOSTAT

1шт.

Выбрано товаров: 10