Качественные детали и логистика
Оригинальные и аналоговые запчасти с доставкой по России, Казахстану и Беларуси
©2022 PartSell ООО "Система" ИНН 2463123282 ОГРН 1212400004838
Центральный офис: г. Красноярск, Академика Киренского, д.87, пом.4
Телефон: 8 (800) 777-65-74 Email: zakaz@partsell.ru
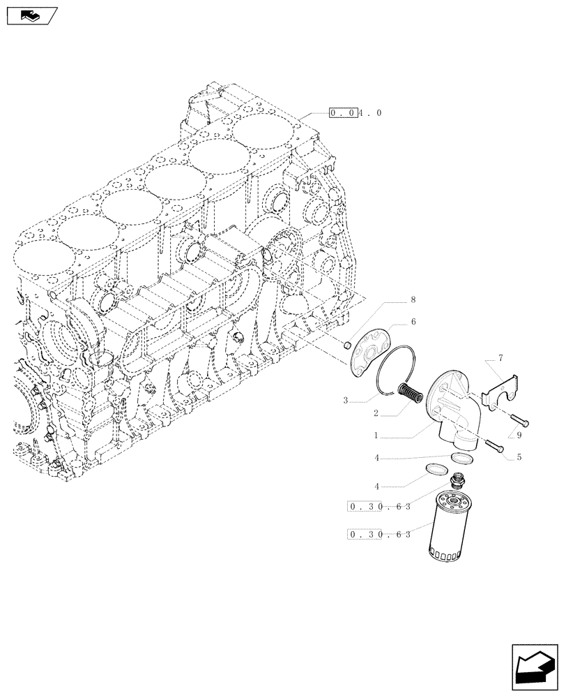
(0.30.2) - FILTER ENGINE OIL (504221058)
№
Артикул
Название
Примечание
Количество
1
504190449
BRACKET
- ASSY
1шт.
2
500302241
HYDRAULIC VALVE
M30X2
3
17291881
GASKET
M113.89 x 3.53
4
99434480
SEAL
D = 30 x 40 mm
2шт.
5
16586525
BOLT,Hex, M8 x 30mm, Cl 8.8
M8 X 30
6
504147366
7
504213767
RETAINER
8
17816414
SPACER
D. = 8.5X18 mm SP=20 mm
9
16592224
SCREW,M8 x 55mm
M8 X 55
Выбрано товаров: 0