Запчасти Case IH ISM N844 (10.214.01) - FUEL INJECTION SYSTEM (10) - ENGINE

Схема запчастей Case IH ISM N844 - (10.214.01) - FUEL INJECTION SYSTEM (10) - ENGINE
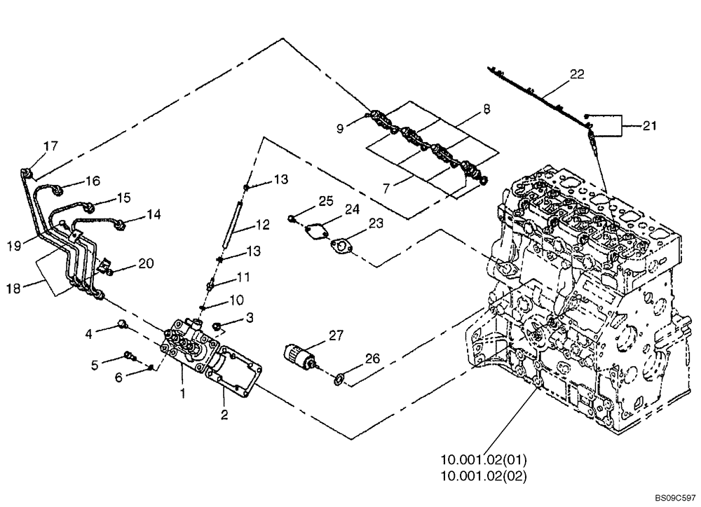
27
12
2
8
19
10.001.02(01)
7
9
6
17
1
24
5
13
20
25
13
4
14
21
3
26
18
10.001.02(02)
16
15
11
23
10
22
FIT
1:1
100%

Артикул

Название

Примечание

Количество

1

SBA131011100

FUEL INJECTION PUMP

Components Not Serviced Separately

1шт.

1

SBA131011100R

REMAN-FUEL INJ PUMP

SR130 (4/11-)

1шт.

1

SBA131011100C

CORE-FUEL INJ PUMP

Return Number

1шт.

1

87298764

REMAN-FUEL INJECTOR

Remanufactured Injection Pump

1шт.

1

87298765

CORE-FUEL INJECTOR

Return Number INJECTOR

1шт.

2

SBA131426320

SHIM KIT

1шт.

3

SBA023100008

NUT

3шт.

4

SBA010800820

BOLT

3шт.

5

SBA010700820

BOLT

1шт.

6

SBA026100008

WASHER

1шт.

7

SBA131426200

SEAL

4шт.

8

SBA131406520

FUEL SYSTEM INJECTOR

4шт.

8

SBA131406520R

REMAN-INJECT NOZZLE

SR130 (4/11-)

4шт.

8

SBA131406520C

CORE-NOZZLE, INJECT

Return Number

4шт.

9

SBA131606950

TUBE

Replaces SBA131606690

1шт.

10

SBA140996350

COPPER WASHER,8.36mm ID x 12.98mm OD x 1.02mm Thk

1шт.

11

SBA198487920

HYD CONNECTOR

1шт.

12

SBA068209621

HOSE

1шт.

13

SBA067200078

HOSE CLAMP

2шт.

14

SBA131507700

RIGID TUBE

Injection

1шт.

15

SBA131507710

RIGID TUBE

Injection

1шт.

16

SBA131507720

RIGID TUBE

Injection

1шт.

17

SBA131507730

RIGID TUBE

Injection

1шт.

18

SBA199106021

CLAMP

6шт.

19

SBA010110625

SCREW

3шт.

20

SBA023100006

NUT

3шт.

21

SBA185366190

GLOW PLUG

4шт.

22

SBA185376150

BRACKET

1шт.

23

SBA130996130

GASKET

1шт.

24

SBA165206640

COVER

1шт.

25

SBA011310612

CAPTIVE WASHER SCREW,Hex, M6 x 12, Cl 8.8

2шт.

26

SBA025100016

WASHER,16.4mm ID x 27mm OD x 2mm Thk

2шт.

27

SBA185206083

SOLENOID

1шт.

Выбрано товаров: 33