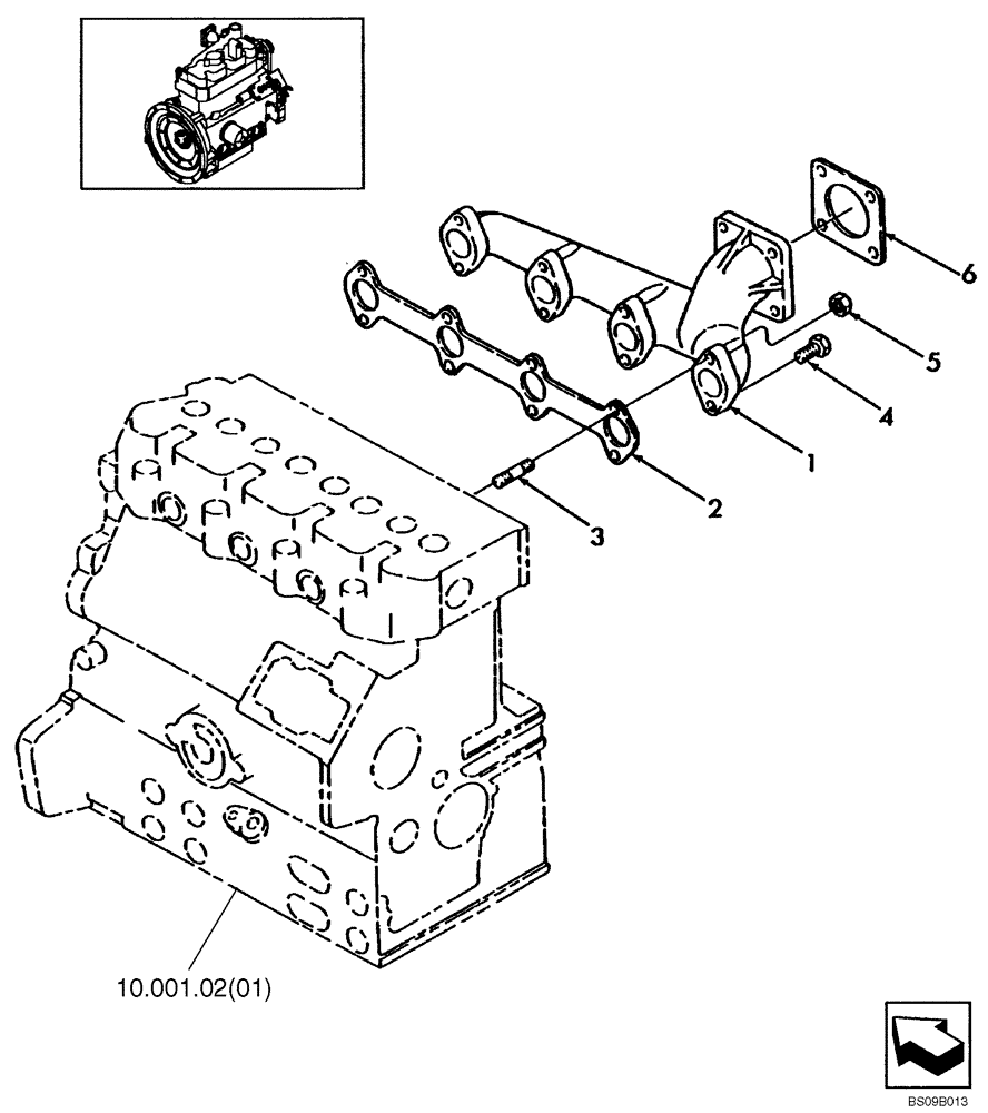
Запчасти Case IH ISM N844 (10.254.05[01]) - EXHAUST MANIFOLD (10) - ENGINE

Схема запчастей Case IH ISM N844 - (10.254.05[01]) - EXHAUST MANIFOLD (10) - ENGINE
6
4
3
10.001.02(01)
1
5
2
FIT
1:1
100%

Артикул

Название

Примечание

Количество

2

SBA135996780

MANIFOLD GASKET

1шт.

3

SBA012110860

STUD

2шт.

4

SBA011510860

CAPTIVE WASHER SCREW,Hex, M8 x 60, G5

6шт.

5

9804277

FLANGE NUT,Hex, M8 x 1.25, Cl 8

2шт.

6

SBA314990013

GASKET

1шт.

Выбрано товаров: 5