Запчасти Case IH 4391T (2-58) - CYLINDER BLOCK / ENGINE BLOCK HEATER / OVERHAUL KIT, 4T-390 & 4TA-390 EMISSIONS CERTIFIED ENGINE (02) - ENGINE

Схема запчастей Case IH 4391T - (2-58) - CYLINDER BLOCK / ENGINE BLOCK HEATER / OVERHAUL KIT, 4T-390 & 4TA-390 EMISSIONS CERTIFIED ENGINE (02) - ENGINE
24
8
4
9
13
38
26
28
33
17
12a
27
12
18
23
15
40
35
16
29
7
16a
14
22
11
6
20
10
30
2
36
6
7
37
19a
34
7
31
6
1
3
21
5
39
32
19
9a
25
FIT
1:1
100%

Артикул

Название

Примечание

Количество

220004A2

ENGINE ASSEMBLY

ENGINE ASSY ENGINE ASSEMBLY - 4TA-390 Emissions Certified, complete, for service order 234277A2 basic engine below

1шт.

The engine part number is stamped on a metal tag, which is mounted on the front gear cover.

1шт.

234277A2

BASIC ENGINE

Incl. all parts except: starter, alternator, fan, fan belt, air cleaner, muffler, exhaust manifold, flywheel and housing, oil fill and dipstick, fuel injection pump, injectors and lines, front pulley, belt tensioner, turbocharger and aftercooler; See Note

1шт.

234277A2R

REMAN-BASIC ENGINE

Incl. all parts except: starter, alternator, fan, fan belt, air cleaner, muffler, exhaust manifold, flywheel and housing, oil fill and dipstick, fuel injection pump, injectors and lines, front pulley, belt tensioner, turbocharger and aftercooler; See Note

1шт.

234277A2C

CORE-BASIC ENGINE

Return Number

1шт.

J933648

SHORT ENGINE

BLOCK ASSEMBLY - short, new, includes stripped block, pistons, connecting rods and bearings, crankshaft and bearings

1шт.

J933648R

SHORT ENGINE

BLOCK ASSEMBLY - short, remanufactured, component parts shown on this page do not apply to the remanufactured assembly

1шт.

J933648C

CORE-ENGINE

Return Number

1шт.

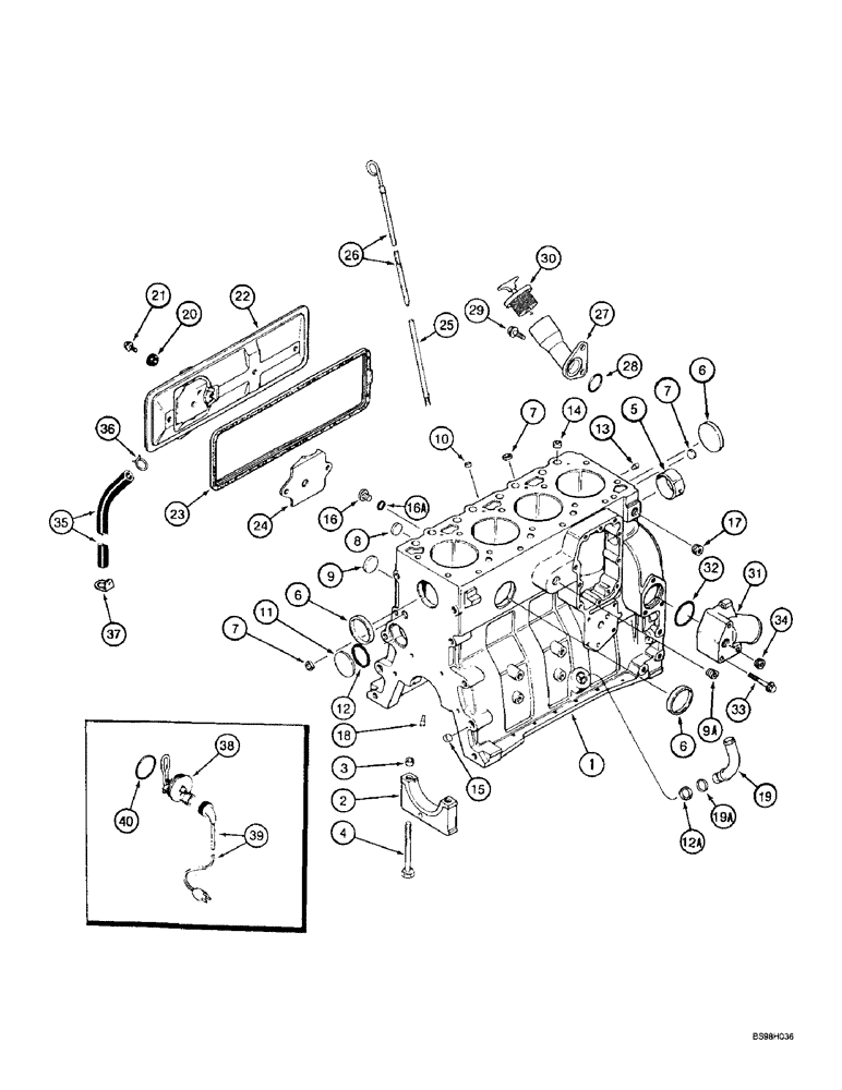
1

87444172

BLOCK ASSY.

BLOCK ASSEMBLY - stripped, engine, order J933220 block hardware kit shown below also

1шт.

2

J903492

BEARING CAP

CAP - main bearing

5шт.

3

J900068

BEARING WASHER

RING - dowel, 18 mm OD, main bearing, Serial Range: cap-block

10шт.

4

J927948

BOLT,Flng, MJ12 x 1.5H6H x 119mm, Cl 12.9

SCREW, , Main bearing cap, Special Hex Flg Hd, M12 x 1.5 x 119

10шт.

5

REF

INSTRUCTION

BUSHING - camshaft front, see page 2-57, item 2

1шт.

6

A77782

PLUG

PLUG - expansion, 58 mm OD

1шт.

7

J900956

PLUG

PLUG - expansion, 18 mm OD

3шт.

8

41-1616

PLUG,Cup, 1", Stainless

PLUG, , Expansion Cup, 1", Stainless

2шт.

J933220

PACKAGE,SERVICE

KIT - block hardware, includes items 9 - 18

1шт.

9

J900958

PLUG

PLUG - expansion, 32 mm OD

2шт.

9a

A77505

PLUG

PLUG - hex socket, 3/4 inch PT

1шт.

10

J900955

PLUG

PLUG - expansion, 10 mm OD

1шт.

11

172599

PLUG,Exp, 2 3/8"

PLUG - expansion, Welch, 60 mm OD

1шт.

12

J926047

O-RING,0.07" Thk x 2.239" ID

O-RING - sealing, 57 mm ID

1шт.

12a

J920706

PLUG

PLUG - expansion, 22 mm OD, not used in this application, item 19, J931973 turbocharger oil drain tube is installed in this port

1шт.

13

J900257

PIN,10.01mm OD x 16mm L

PIN - dowel, 16 mm long, locating

2шт.

14

J902343

DOWEL

RING - dowel, 16 mm OD

2шт.

15

J900068

BEARING WASHER

RING - dowel, 18 mm OD

2шт.

16

J678923

PLUG,M10 x 1

PLUG - hex socket, 10 mm

3шт.

16a

637-72081

O-RING,1.6mm Thk x 8.1mm ID, Cl 7, 75 Duro

O-RING - 8.1 ID x 1.6 mm wide, Plug

1шт.

17

A77429

PLUG

PLUG - hex socket, 1/2 inch PT

1шт.

17a

J678921

PLUG

PLUG - hex socket, 14 mm, not used in this application, not shown

1шт.

17b

J678912

O-RING,2.2mm Thk x 11.3mm ID

O-RING, , Sealing, Not used in this application, Not shown 11.3MM ID x 2.2 Thk

1шт.

17c

J932296

PLUG

PLUG - timing sensor hole, not used in this application, not shown

1шт.

17d

J330478

O-RING,0.07" Thk x 0.676" ID

O-RING - sealing, not used in this application, not shown

1шт.

17e

844-8016

BOLT,Hex, M8 x 16mm, Cl 8.8

BOLT - heavy hex flange, 8 - 1.25 x 16 mm, Not used in this application, Not shown

1шт.

18

J930139

NOZZLE CAP

NOZZLE - piston cooling

4шт.

19

J931973

TUBE,0.875" OD

TUBE - turbocharger oil drain

1шт.

19a

J931824

O-RING,0.07" Thk x 0.739" ID, -18, Cl 7, 75 Duro

O-RING - sealing, 18 mm ID

1шт.

20

J900267

SEAL

SEAL - cover bolt

4шт.

21

845-8016

BOLT,Hvy Hex, M8 x 16mm, Cl 8.8

BOLT - heavy hex flange, 8 - 1.25 x 16 mm

2шт.

22

J925680

COVER

COVER - tappet

1шт.

23

J283767

GASKET,7.4mm Thk

GASKET - tappet cover

1шт.

24

J907586

BAFFLE

BAFFLE - tappet cover

1шт.

25

J905779

TUBE,9.52 mm OD x 228 mm L

TUBE - dipstick

1шт.

26

J905781

DIPSTICK

DIPSTICK - oil level gauge

1шт.

27

J934190

TUBE

TUBE - oil fill

1шт.

28

J906696

SEAL,41mm ID x 43mm OD x 2.5mm H

O-RING - 38 mm (1-1/2 inch) ID

1шт.

29

854-12025

BOLT,Hvy Hex, M12 x 25mm, Cl 10.9

BOLT - heavy hex flange, 12 - 1.75 x 25 mm, class 10.9

2шт.

30

A77424

FILLER CAP

CAP - oil fill tube

1шт.

31

J934877

HYD CONNECTOR

CONNECTION - water inlet

1шт.

32

J906697

SEAL,Square, 5.16mm Thk x 50.17mm ID

O-RING - sealing, 50 mm ID

1шт.

33

854-10075

BOLT,Hvy Hex, M10 x 75mm, Cl 10.9

BOLT - heavy hex flange, 10 - 1.5 x 75 mm, class 10.9

3шт.

34

A77429

PLUG

PLUG - hex socket, 1/2 inch PT

2шт.

35

J918612

TUBE,360.00 mm

Breather

1шт.

36

J904230

CLAMP,25.4mm

CLAMP - spring, hose

1шт.

37

J928989

CLIP

CLIP - retaining

1шт.

196803A1

KIT

KIT - engine block heater

1шт.

38

NSS

NOT SOLD SEPARAT

ELEMENT - engine heater, 120 volt

1шт.

39

196466A1

ELECTRIC CABLE

CABLE - engine block heater

1шт.

40

J910517

O-RING

O-RING - heater sealing

1шт.

A77887

PACKAGE,SERVICE

KIT - engine overhaul, includes items 41 - 48, not shown

1шт.

41

J802747

PISTON & RINGS KIT,100MM PISTON DIAMETER

KIT - piston, standard, see page 2-71

4шт.

42

J919053

PISTON PIN

PIN - piston, See page 2-71

4шт.

43

A77465

BEARING SET

KIT - bearing, upper and lower set, standard, see page 2-71

4шт.

44

A77405

CRANKSHAFT BEARING

BEARING - main, upper and lower set, standard, see page 2-67

4шт.

45

A77406

CRANKSHAFT BEARING

BEARING - main thrust, upper and lower set, standard, see page 2-67

1шт.

46

A77870

SEAL PACKAGE

KIT - gasket, valve grind, see page 2-77

1шт.

47

J283333

CYLINDER HEAD GASKET,2.32mm Thk

GASKET - head, standard, see page 2-51

1шт.

48

A77673

GASKET KIT

KIT - gasket, oil pan, see page 2-49

1шт.

Выбрано товаров: 68