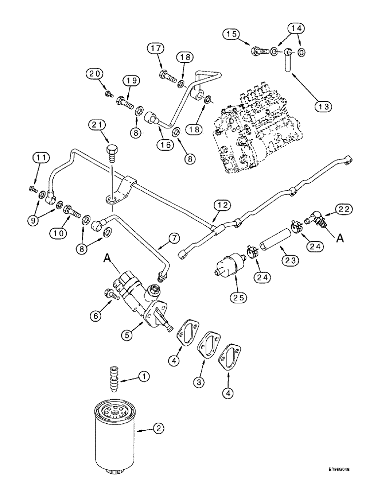
Запчасти Case IH 4391T (3-06) - FUEL FILTER, 4-390 AND 4T-390 EMISSIONS CERTIFIED ENGINE (03) - FUEL SYSTEM

Схема запчастей Case IH 4391T - (3-06) - FUEL FILTER, 4-390 AND 4T-390 EMISSIONS CERTIFIED ENGINE (03) - FUEL SYSTEM
5
7
19
3
8
24
2
13
18
16
24
9
4
21
10
6
25
20
18
14
8
23
8
1
15
22
4
11
12
17
FIT
1:1
100%

Артикул

Название

Примечание

Количество

1

J925955

ADAPTER,M16 x 1.5 x M16 x 1.5

- fuel filter

1шт.

2

J931062

FILTER

- fuel

1шт.

3

J914284

SPACER

- fuel transfer pump mounting

1шт.

4

J931348

GASKET

- mounting, fuel transfer pump

1шт.

5

J933254

FEED PUMP

PUMP - fuel transfer

1шт.

6

845-8025

BOLT,Hex Flg, M8 x 25mm, Cl 8.8

- heavy hex flange, 8 - 1.25 x 25 mm

2шт.

7

J917280

FUEL TUBE,8 mm OD x 231 mm L

TUBE - supply

1шт.

8

J918191

PACKING RING

WASHER - sealing, special, 12 x 18 x 1 mm

4шт.

9

J918188

WASHER,7.8mm ID x 13.5mm OD x 1.2mm Thk

- sealing

2шт.

10

J916361

BANJO BOLT

BOLT - banjo connector, 12 - 1.5 x 24 mm

1шт.

11

J924726

BANJO BOLT

VALVE - check

1шт.

12

J927633

TUBE

- manifold, fuel

1шт.

13

J911447

CONNECTOR, ELEC

CONNECTOR - banjo, fuel return

1шт.

14

J918192

PACKING RING,14mm ID x 20mm OD x 1mm Thk

WASHER - sealing, special, 14 x 20 x 1 mm

2шт.

15

J912886

VALVE

- overflow

1шт.

16

J932035

FUEL TUBE,8 mm OD x 349 mm L

TUBE - supply, fuel

1шт.

17

J924725

BANJO BOLT,M14 x 1.5 x 26mm

BOLT - banjo connector

1шт.

18

J918192

PACKING RING,14mm ID x 20mm OD x 1mm Thk

WASHER - sealing, special, 14 x 20 x 1 mm

2шт.

J905860

BANJO BOLT

BOLT ASSEMBLY - banjo hex, special

1шт.

19

J911446

BANJO BOLT,M12 x 1.5 x 24mm

BOLT, BANJO, M12 x 1.5 x 24

1шт.

20

J905403

CAPTIVE WASHER SCREW,Hex, M6 x 1 x 10mm, Cl 8.8

SCREW - hex, special, vent

1шт.

21

844-8025

BOLT,Hvy Hex, M8 x 25mm, Cl 8.8

1шт.

22

217-132

90 ELBOW,90 Degree Elbow, 3/8" Hose Barb x 1/4" Male NPTF

- 90 degree, 3/8 stem end x 1/4 inch PT

1шт.

23

1348239C1

FUEL HOSE,9.52 mm ID x 78.00 mm, SAE 30R7

- Cut from 194882A1 bulk hose, See below, Front fuel supply 9.52 mm ID x 78.00 mm, SAE 30R7

1шт.

24

1348264C1

HOSE CLAMP

CLAMP - hose, 3/8 inch

2шт.

25

D139225

FILTER, FUEL

FILTER - fuel, in-line

1шт.

194882A1

FUEL HOSE,0.38" ID x 25.00' Bulk, SAE 30R7

0.38" ID x 25.00' Bulk, SAE 30R7

1шт.

Выбрано товаров: 27