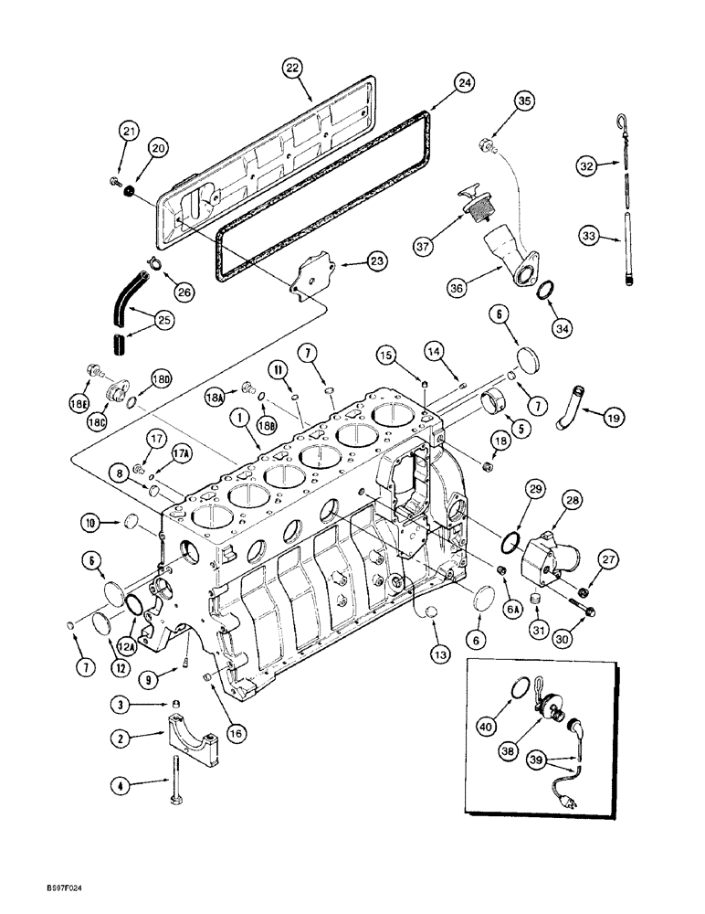
Запчасти Case IH 6591TA (2-42) - CYLINDER BLOCK, 6T-590 AND 6TA-590 EMISSIONS CERTIFIED ENGINE, ENG. SERIAL NUMBER 45534441 AND AFTER

Схема запчастей Case IH 6591TA - (2-42) - CYLINDER BLOCK, 6T-590 AND 6TA-590 EMISSIONS CERTIFIED ENGINE, ENG. SERIAL NUMBER 45534441 AND AFTER
6
9
22
5
2
18b
31
15
12
4
7
37
29
8
23
40
21
39
27
16
7
18c
35
19
11
6a
17a
32
18d
7
24
38
20
18e
36
33
6
28
10
14
25
6
34
17
13
30
18
12a
3
18a
1
26
FIT
1:1
100%

Артикул

Название

Примечание

Количество

1

J933610

CYLINDER BLOCK

BLOCK ASSEMBLY - stripped engine, order J933220 block hardware kit shown below also

1шт.

2

J900967

BEARING CAP

CAP - main bearing

7шт.

3

J900068

BEARING WASHER

RING - dowel, 18 mm OD

14шт.

4

J927948

BOLT,Flng, MJ12 x 1.5H6H x 119mm, Cl 12.9

SCREW, , Main bearing cap, Special Hex Flg Hd, M12 x 1.5 x 119

14шт.

5

REF

INSTRUCTION

BUSHING - camshaft, front, see page 2-35, item 6

1шт.

6

A77782

PLUG

- expansion, 58 mm OD

6шт.

6a

A77505

PLUG

- hex socket, 3/4 inch PT

1шт.

7

J900956

PLUG

- expansion, 18 mm OD

3шт.

8

41-1616

PLUG,Cup, 1", Stainless

4шт.

J933220

PACKAGE,SERVICE

KIT - block hardware

1шт.

9

J930139

NOZZLE CAP

NOZZLE - piston cooling

6шт.

10

J900958

PLUG

- expansion, 32 mm OD

1шт.

11

J900955

PLUG

- expansion, 10 mm OD

2шт.

12

172599

PLUG,Exp, 2 3/8"

- expansion, Welch, 60 mm OD

1шт.

12a

J926047

O-RING,0.07" Thk x 2.239" ID

- sealing, 57 mm ID

1шт.

13

J920706

PLUG

- expansion, 22 mm OD, not used in this application

1шт.

14

J900257

PIN,10.01mm OD x 16mm L

- dowel, 16 mm long, locating

2шт.

15

J902343

DOWEL

RING - dowel, 16 mm OD

2шт.

16

J900068

BEARING WASHER

RING - dowel, 18 mm OD

2шт.

17

J678923

PLUG,M10 x 1

- hex socket, 10 mm

3шт.

17a

637-72081

O-RING,1.6mm Thk x 8.1mm ID, Cl 7, 75 Duro

Cl 7, 8.1MM ID x 1.6 Thk

1шт.

18

217-466

DRAIN PLUG,Sq Soc, 1/2" - 14, NTPF

PLUG, DRAIN, Sq Soc, 1/2"-14, NTPF

1шт.

18a

J678921

PLUG

- hex socket, 14 mm

1шт.

18b

J678912

O-RING,2.2mm Thk x 11.3mm ID

Sealing 11.3MM ID x 2.2 Thk

1шт.

18c

J932296

PLUG

- timing sensor hole

1шт.

18d

J330478

O-RING,0.07" Thk x 0.676" ID

- sealing

1шт.

18e

844-8016

BOLT,Hex, M8 x 16mm, Cl 8.8

- heavy hex flange, 8 - 1.25 x 16 mm

1шт.

19

J903744

PIPE FITTING,22.42 mm ID x 28 mm OD x 90.2, 64 mm L

TUBE - turbocharger oil drain

1шт.

20

J900267

SEAL

- cover bolt

4шт.

21

845-8016

BOLT,Hvy Hex, M8 x 16mm, Cl 8.8

- heavy hex flange, 8 - 1.25 x 16 mm

4шт.

22

J927913

COVER

- tappet

1шт.

23

J907586

BAFFLE

- tappet cover, use with J823494 sealant, see below

1шт.

24

J928832

GASKET

- tappet cover

1шт.

25

J918614

TUBE,435.00 mm

- 635 mm (25 inch) long

1шт.

26

J904230

CLAMP,25.4mm

- spring, hose

1шт.

27

A77505

PLUG

- hex socket, 3/4 inch PT

1шт.

28

J920315

CONNECTION

- water inlet

1шт.

29

J906697

SEAL,Square, 5.16mm Thk x 50.17mm ID

O-RING - sealing, 50 mm ID

1шт.

30

854-10075

BOLT,Hvy Hex, M10 x 75mm, Cl 10.9

- heavy hex flange, 10 - 1.5 x 75 mm, class 10.9

3шт.

31

A77429

PLUG

- hex socket, 1/2 inch PT

1шт.

32

J907714

DIPSTICK

- engine oil

1шт.

33

J905127

TUBE,9.52 mm OD x 180 mm L

- dipstick

1шт.

34

J906696

SEAL,41mm ID x 43mm OD x 2.5mm H

O-RING - 38 mm (1-1/2 inch) ID

1шт.

35

844-12025

BOLT,Hvy Hex, M12 x 25mm, Cl 8.8

2шт.

36

J911696

TUBE,38.1 - 52.39 mm OD x 102.9, 56.5 mm L

- oil fill

1шт.

37

A77424

FILLER CAP

CAP - oil fill tube

1шт.

196803A1

KIT

- engine block heater

1шт.

38

NSS

NOT SOLD SEPARAT

ELEMENT - engine block heater, 120 volt, 750 watt

1шт.

39

196466A1

ELECTRIC CABLE

CABLE - engine block heater

1шт.

40

J910517

O-RING

- heater sealing

1шт.

J823494

SEALANT

- Three Bond Silver RTV Adhesive/Sealer, 3 ounce tube

1шт.

Выбрано товаров: 51