Запчасти Case IH 6830T (4-08) - ALTERNATOR ASSEMBLY, A187873

Схема запчастей Case IH 6830T - (4-08) - ALTERNATOR ASSEMBLY, A187873
13
9
8
7
25
10
7
12
1
15
2
3
16
5
11
6
19
7
24
18
17
20
14
21
4
23
22
FIT
1:1
100%

Артикул

Название

Примечание

Количество

A187873

ALTERNATOR,12V, 65A

ALTERNATOR ASSEMBLY - electrical, 65 ampere

1шт.

AR187873

REMAN-ALTERNATOR

65A 12V

1шт.

AC187873

CORE-ALTERNATOR

Return Number

1шт.

A187873GV

ALTERNATOR

Value, 12V, 65A

1шт.

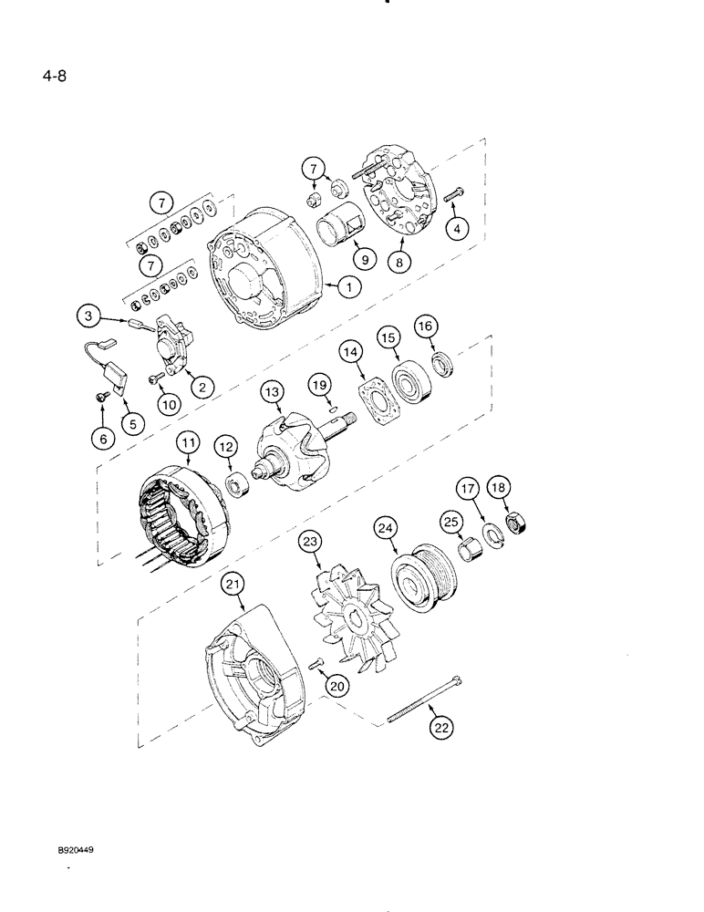
1

A187903

COVER

HOUSING - collector ring end

1шт.

2

A187906

VOLTAGE REGULATOR

REGULATOR - voltage

1шт.

3

1964968C1

COMMUTATOR BRUSH

BRUSH ASSEMBLY - alternator

1шт.

4

A187898

SCREW

BOLT - voltage regulator retaining

2шт.

5

3079134R1

CAPACITOR

CAPACITOR - alternator

1шт.

6

1964969C1

SCREW

SCREW - Fillister, capacitor retaining

1шт.

7

A187904

MULTIPOLE CONNECTOR

SET - hardware, terminal

1шт.

8

A187917

RECTIFIER

BRIDGE - rectifier, alternator

1шт.

9

A187899

INNER SHIELD

SHIELD - alternator

1шт.

10

A187907

CAPTIVE WASHER SCREW

BOLT - with washer, rectifier bridge retaining

2шт.

11

1964966C1

STATOR

STATOR ASSEMBLY - alternator

1шт.

12

A187908

BALL BEARING,12 mm ID x 32 mm OD x 10 mm

BEARING - ball, rotor, collector ring end

1шт.

13

1964964C1

ROTOR

ROTOR ASSEMBLY - alternator

1шт.

14

A187901

FIXING PLATE

PLATE - bearing retaining

1шт.

15

A186183

BALL BEARING,17 mm ID x 47 mm OD x 14 mm

BEARING - ball, rotor, drive end

1шт.

3078897R1

SET OF PARTS

KIT - retaining, rotor

1шт.

16

NSS

NOT SOLD SEPARAT

RING - spacer

1шт.

17

NSS

NOT SOLD SEPARAT

WASHER - rotor shaft

1шт.

18

NSS

NOT SOLD SEPARAT

NUT - rotor shaft

1шт.

19

NSS

NOT SOLD SEPARAT

KEY - pulley retainer, not used in A187873 alternator

4шт.

20

NSS

NOT SOLD SEPARAT

SCREW - bearing retainer plate

4шт.

21

A186182

HOUSING

HOUSING - drive end

1шт.

22

A186193

BOLT,Pan, Cross Recess Phillips, M5 x 110mm

BOLT - slotted, housing retainer

1шт.

23

221425R1

FAN

FAN - alternator, not included with alternator assembly, order separately

1шт.

24

J908560

PULLEY

PULLEY - alternator drive, not included with alternator assembly, order separately

1шт.

25

J908563

RETAINER

RETAINER - pulley, alternator, not included with alternator assembly, order separately

1шт.

Выбрано товаров: 30