Запчасти Case IH 6830T (4-10) - STARTER ASSEMBLY, A187728

Схема запчастей Case IH 6830T - (4-10) - STARTER ASSEMBLY, A187728
19
53
51
54
57
41
44
9
13
21
22
33
25
48
50
14
47
39
56
26
59
11
17
8
34
20
32
7
27
1
8
46
24
49
5
38
55
2
15
36
31
10
30
59
52
61
3
60
42
4
6
23
45
58
16
40
18
43
37
12
35
28
29
FIT
1:1
100%

Артикул

Название

Примечание

Количество

A187728

STARTING MOTOR

STARTER ASSEMBLY - engine

1шт.

AR187728

REMAN-STARTER

Remanufactured Starter

1шт.

AC187728

CORE-STARTER

Return Part Number

1шт.

A187728GV

STARTER MOTOR

Value

1шт.

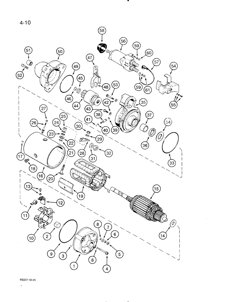
1

A187851

HOUSING

FRAME ASSEMBLY - end, commutator

1шт.

2

NSS

NOT SOLD SEPARAT

BEARING - needle

1шт.

3

NSS

NOT SOLD SEPARAT

PIN - dowel, locating

1шт.

4

31051R1

BOLT,Hex Flange, M6 x 1.0 x 60mm, Grade 8.8

BOLT - hex flange, 6 x 60 mm

4шт.

5

825-2306

FLANGE NUT,M6 x 1, Flg, Cl 8

NUT - hex, flange, 6 mm - 1

2шт.

6

NSS

NOT SOLD SEPARAT

WASHER - lock, 6 mm

2шт.

7

NSS

NOT SOLD SEPARAT

WASHER - flat, 6 mm

2шт.

8

A187857

O-RING,5.8 mm ID x 1.9 mm

O-RING - sealing

4шт.

9

NSS

NOT SOLD SEPARAT

O-RING - frame

1шт.

10

A187852

BRUSH HOLDER

HOLDER, BRUSH HOLDER ASSEMBLY - brush

1шт.

11

A187823

SPRING

SPRING - brush

4шт.

12

A187794

BRUSH, COMMUTATOR

BRUSH BRUSH ASSEMBLY - starter

4шт.

13

A47816

SCREW,Pan Cross, M5 x 0.8 x 12mm

SCREW - slotted, 5 mm - 0.8 x 12 mm

4шт.

14

A47813

WASHER

WASHER - end, armature

1шт.

15

A187847

ARMATURE

ARMATURE ASSEMBLY - starter

1шт.

16

A187846

HOUSING ASSY.

HOUSING ASSEMBLY - starter

1шт.

17

NSS

NOT SOLD SEPARAT

PIN - dowel, locating

2шт.

18

NSS

NOT SOLD SEPARAT

SCREW -retainer, coil

4шт.

19

NSS

NOT SOLD SEPARAT

COIL ASSEMBLY - field

1шт.

20

NSS

NOT SOLD SEPARAT

TERMINAL - field

1шт.

21

NSS

NOT SOLD SEPARAT

O-RING - terminal

1шт.

22

NSS

NOT SOLD SEPARAT

BUSHING - insulation

1шт.

23

NSS

NOT SOLD SEPARAT

WASHER - flat plate

1шт.

24

NSS

NOT SOLD SEPARAT

WASHER - lock

1шт.

25

NSS

NOT SOLD SEPARAT

NUT - hex, terminal

1шт.

26

NSS

NOT SOLD SEPARAT

STUD ASSEMBLY - terminal, field

1шт.

27

A187862

FLANGE NUT

NUT - hex, terminal

1шт.

28

A187858

FITTING

CONNECTOR - terminal B

1шт.

29

NSS

NOT SOLD SEPARAT

WASHER - lock

1шт.

30

825-1410

NUT,M10, Cl 8

Nut, M10, Cl 8

1шт.

31

A187859

WASHER

WASHER - wave

1шт.

32

425-108

NUT,1/2" - 13, Gr 5

NUT, , Hex 1/2"-13, G5

1шт.

33

NSS

NOT SOLD SEPARAT

O-RING - sealing, housing

1шт.

34

A187860

WASHER

WASHER - plate, armature

1шт.

35

A187850

HOUSING

HOUSING ASSEMBLY - lever

1шт.

36

NSS

NOT SOLD SEPARAT

SEAL - oil, housing

1шт.

37

NSS

NOT SOLD SEPARAT

BEARING - housing

1шт.

38

A187865

KIT

KIT - pin, lever

1шт.

39

NSS

NOT SOLD SEPARAT

O-RING - pin, large

1шт.

40

NSS

NOT SOLD SEPARAT

O-RING - pin, small

1шт.

41

NSS

NOT SOLD SEPARAT

RING - snap, pin

1шт.

42

A49815

LOCK WASHER

WASHER - through bolt

4шт.

43

A187861

BOLT,Hex, M7 x 23mm

BOLT - hex, housing 7 x 23 mm

4шт.

A187728

STARTING MOTOR

STARTER ASSEMBLY - engine, continued

1шт.

44

A187848

CLUTCH ASSEMBLY

CLUTCH ASSEMBLY - drive, starter

1шт.

45

A187855

NUT

NUT - stop, pinion

1шт.

46

A47790

RING, SNAP

RING SNAP RING - snap, collar to shaft retaining

1шт.

47

A187853

LEVER

LEVER ASSEMBLY - clutch, starter

1шт.

48

A187854

WEAR PAD

PAD - lever

2шт.

49

A47786

SEAL

O-RING - housing

1шт.

50

A187849

HOUSING

HOUSING ASSEMBLY - clutch drive

1шт.

51

NSS

NOT SOLD SEPARAT

BEARING - needle

1шт.

52

A187856

BOLT,Hex, M7 x 24.50mm

BOLT - hex, drive housing

6шт.

54

A187864

COVER

KIT - cover, terminal

1шт.

55

NSS

NOT SOLD SEPARAT

SCREW ASSEMBLY - cover

1шт.

56

A187863

SOLENOID SWITCH

SWITCH ASSEMBLY - magnetic solenoid

1шт.

57

NSS

NOT SOLD SEPARAT

WIRE - connecting

1шт.

58

NSS

NOT SOLD SEPARAT

COVER - plunger

1шт.

59

NSS

NOT SOLD SEPARAT

WASHER - lock

3шт.

60

NSS

NOT SOLD SEPARAT

NUT - hex

1шт.

61

NSS

NOT SOLD SEPARAT

NUT - hex

2шт.

53

814-6040

BOLT,Hex, M6 x 1 x 40mm, Cl 8.8

BOLT, Hex, M6 x 40, 8.8

2шт.

Выбрано товаров: 66