Запчасти Case IH 6831T (02-008) - AIR INDUCTION SYSTEM

Схема запчастей Case IH 6831T - (02-008) - AIR INDUCTION SYSTEM
28
8
3
17
12
16
21
29
6
23
32
4
19
21
18
2
22
1
7
13
14
26
25
27
29
5
31
10
31
15
11
28
20
24
9
29
30
FIT
1:1
100%

Артикул

Название

Примечание

Количество

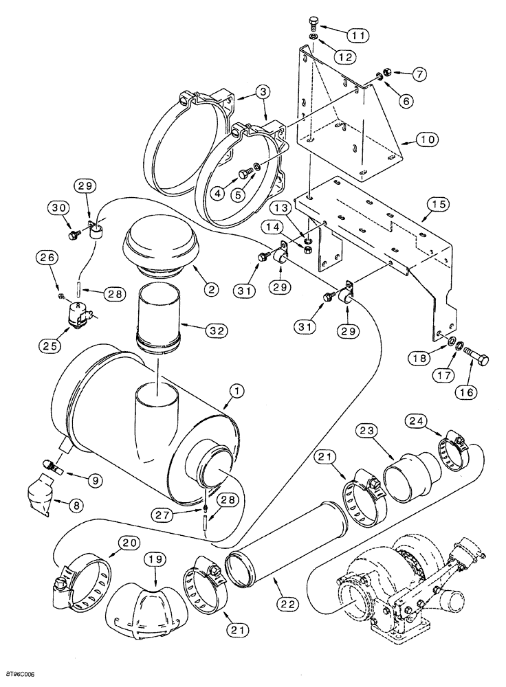
1

90-7743T91

AIR CLEANER

ASSEMBLY, see Figure 02-010

1шт.

2

9-128

CAP

air cleaner

1шт.

3

90-3871T1

CLIP

CLAMP band, air cleaner

2шт.

4

413-616

BOLT,Hex, 3/8" - 16 x 1", Gr 5

4шт.

5

495-11041

WASHER,0.406" ID x 0.812" OD x 0.065" W

(13/32 x 13/16 x 1/16")

4шт.

6

492-11038

LOCK WASHER,3/8"

4шт.

7

425-106

NUT,3/8"-16, Cl 5

4шт.

8

3146940R1

VALVE

evacuator

1шт.

9

214-1432

HOSE CLAMP,#32, 1.56" - 2.5", Type F Worm

Adjustable, Evacuator hose

1шт.

10

236110A1

BRACKET

air cleaner adapter

1шт.

11

413-616

BOLT,Hex, 3/8" - 16 x 1", Gr 5

4шт.

12

495-11041

WASHER,0.406" ID x 0.812" OD x 0.065" W

(13/32 x 13/16 x 1/16")

4шт.

13

492-11038

LOCK WASHER,3/8"

4шт.

14

425-106

NUT,3/8"-16, Cl 5

4шт.

15

236111A1

BRACKET

mounting, air cleaner to flywheel housing

1шт.

16

614-12035

BOLT,Hex, M12 x 1.75 x 35mm, Cl 8.8, Full Thd

Bracket to upper side holes to flywheel housing

4шт.

17

896-11012

WASHER,13.5mm ID x 24mm OD x 3mm Thk

4шт.

18

892-11012

LOCK WASHER,M12

4шт.

19

70-5833T1

ELBOW

air induction, rubber, 6 x 5", 90°

1шт.

20

214-32112

HOSE CLAMP,6-1/4" - 7-1/8", HD Worm, W/ Liner

1шт.

21

214-3296

HOSE CLAMP,5-1/4" - 6-1/8", HD Worm, W/ Liner

Adjustable

2шт.

22

236112A1

TUBE,5" OD

elbow to adapter

1шт.

23

S106022

REDUCER

ADAPTER rubber, hump reducer

1шт.

24

214-3280

HOSE CLAMP,4-1/4" - 5-1/8", HD Worm, W/ Liner

Adjustable

1шт.

25

533917C1

GAUGE

INDICATOR air restriction

1шт.

26

280-14412

SELF-TAP SCREW,Hex Wash Hd, #8 x 3/4"

self-tapping, hex washer head, No. 8 NC x 3/4"

2шт.

27

217-208

FITTING

ADAPTER straight, outlet of air cleaner, 1/8 stem end x 1/8" PT

1шт.

28

239304A1

HOSE air cleaner to restriction indicator, 35"/889 mm long

1шт.

Cut from P/N 990015C1 bulk hose

1шт.

29

515-2163

WIRE CLAMP,1/8", Insul, 1/4" Bolt

P-type, 1/4" ID

3шт.

30

121-143

FLANGE BOLT,Hex Serr, #10" - 32 x 1/2"

Clamp to upper corner of instrument panel

1шт.

31

409-7412

BOLT,Hex Flg, 1/4" - 20 x 3/4", Spcl

BOLT hex serrated flange, clamps at rear edge of air cleaner bracket, 1/4 NC x 3/4"

2шт.

32

L129742

EXTENSION

air cleaner

1шт.

990015C1

LARGE HOSE

HOSE,LARGE bulk, 3/32"/2.5 ID x 300"/7620 mm long

1шт.

Used for P/N 239304A1

1шт.

Выбрано товаров: 35