Запчасти Case IH 6831TA (02-036) - WASTEGATE ACTGUATOR, 6TA-830 EMISSIONS CERTIFIED ENGINE

Схема запчастей Case IH 6831TA - (02-036) - WASTEGATE ACTGUATOR, 6TA-830 EMISSIONS CERTIFIED ENGINE
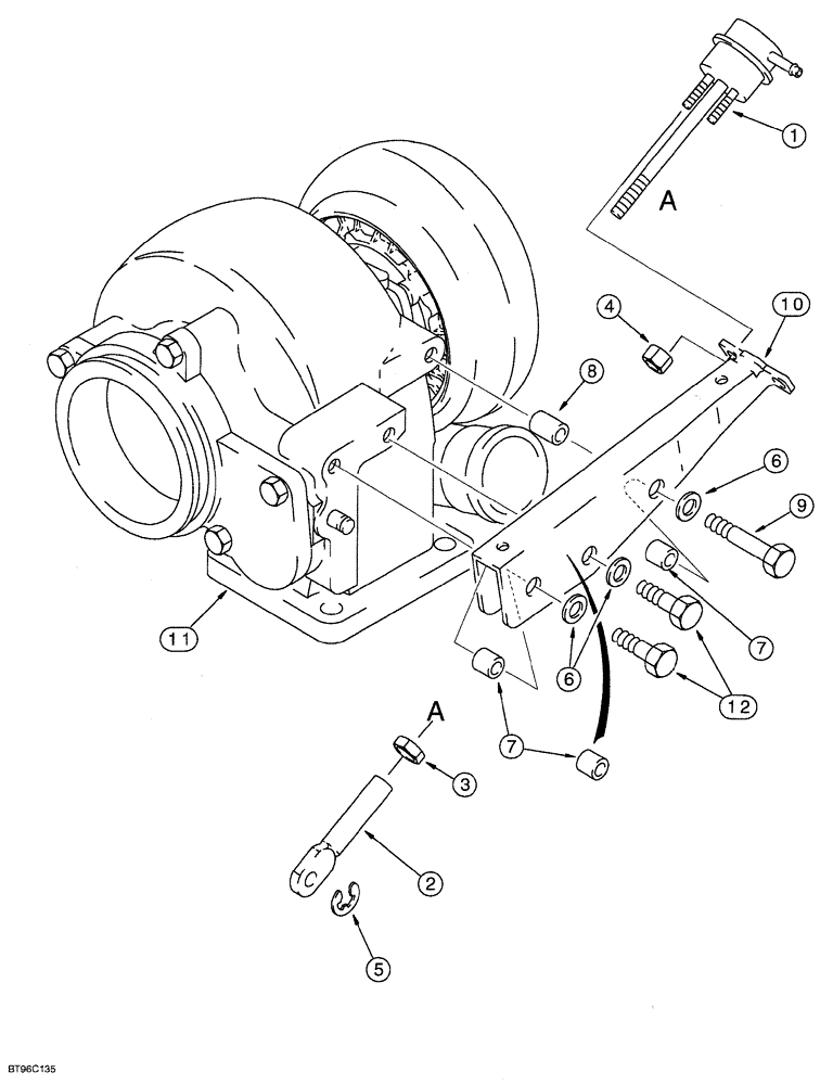
7
12
6
10
5
7
11
6
2
8
1
4
9
3
FIT
1:1
100%

Артикул

Название

Примечание

Количество

J537127

TURBOCHARGER

ASSEMBLY engine, new, Includes: Ref. 1 - 12, also, see Figure 02-032

1шт.

See Figure 02-032 for the remainder of the Turbocharger Assembly

1шт.

87421864

REMAN-TURBOCHARGER

1шт.

JC537127

CORE-TURBOCHARGER

Return Number

1шт.

1

J531892

ACTUATOR

turbo wastegate

1шт.

2

J528177

LINK

adjusting

1шт.

3

425-155

JAM NUT,Jam, 5/16"-24, G5

Hex

1шт.

4

J528204

LOCK NUT

lock

2шт.

5

J528221

CIRCLIP

retaining

1шт.

NSS

NOT SOLD SEPARAT

HOUSING turbine and actuator bracket

1шт.

6

895-11008

WASHER,9mm ID x 16mm OD x 1.6mm Thk

3шт.

7

J532195

SPACER,9.38mm ID x 16.03mm OD x 13.7mm L

mounting, short

3шт.

8

J532196

SPACER,9.38mm ID x 16.03mm OD x 19mm L

mounting, long

1шт.

9

814-8055

BOLT,Hex, M8 x 1.25 x 55mm, Cl 8.8

1шт.

10

J533328

SUPPORT

BRACKET wastegate actuator

1шт.

11

NSS

NOT SOLD SEPARAT

HOUSING turbine

1шт.

12

814-8035

BOLT,Hex, M8 x 1.25 x 35mm, Cl 8.8

2шт.

Выбрано товаров: 17