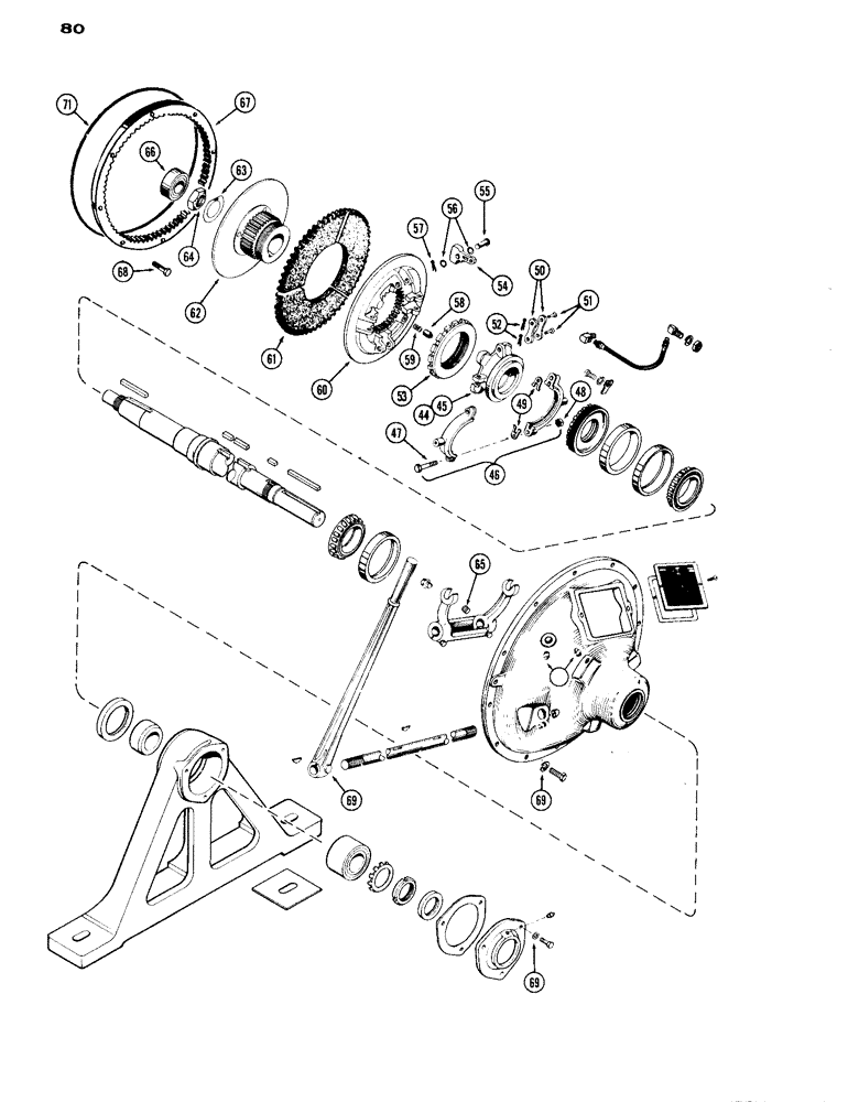
Запчасти Case IH A284 (80) - P.T.O. CLUTCH, MULTIPLE PULLEY, CONTINUED

Схема запчастей Case IH A284 - (80) - P.T.O. CLUTCH, MULTIPLE PULLEY, CONTINUED
69
60
69
58
46
57
50
65
64
51
62
48
61
53
68
66
69
56
55
44
45
49
71
67
52
59
47
63
54
FIT
1:1
100%

Артикул

Название

Примечание

Количество

A34122

CLUTCH ASSY. - power take-off

1шт.

45

A10447

CONE

SLEEVE - sliding

1шт.

46

A40245

COLLAR

ASSY. - clutch

1шт.

47

14-636

SCREW,Hex, 3/8" - 24 x 2 1/4", Gr 5

BOLT - collar, 3/8" x 2-1/4" N.F., hex.

2шт.

48

230-4616

LOCK NUT,3/8"-24, GA

- collar bolt, 3/8" N.F., hex.

2шт.

49

A40765

SHIM - collar

2шт.

50

A10446

LINK

- lever, P.T.O.

6шт.

51

A40192

AXLE PIN,8mm OD x 26.16mm L

PIN - lever link

6шт.

52

132-44

COTTER PIN,1/8" x 1/2"

Pin, Split (Cotter), 1/8" x 1/2"

6шт.

53

A10448

RING

- adjusting

1шт.

54

A10444

LEVER

- clutch

3шт.

55

A40254

PIN

- lever

3шт.

56

A10454

WAVE WASHER

- spring, lever pin

6шт.

57

132-66

COTTER PIN

PIN - cotter, 5/32" x 5/8"

3шт.

58

A10442

PIN - lock, adjusting

1шт.

59

A40197

SPRING

- adj. lock pin

1шт.

60

A10452

PLATE

- floating

1шт.

61

A10449

PLATE

FACING - drive, clutch

1шт.

62

A10453

PLATE

BACKPLATE - hub, P.T.O.

1шт.

63

A40185

X

LOCKWASHER - hub nut

1шт.

64

A40248

X

NUT - clutch hub

1шт.

65

178-639

SET SCREW,Hex Soc, 5/16"-18 x 5/16"

SCREW - set, 5/16" x 5/16" sckt. hd. oval pt.

1шт.

66

A9275

BEARING

- pilot, clutch shaft

1шт.

67

A16644

RING

GEAR - ring, clutch drive

1шт.

68

A16646

X

BOLT - lock, clutch drive gear

8шт.

69

92-6

LOCK WASHER,3/8"

15шт.

70

25-108

NUT,1/2"-13, G5

- 1/2" N.C., hex.

1шт.

71

A16645

SEALING RING

- drive ring

1шт.

Выбрано товаров: 28