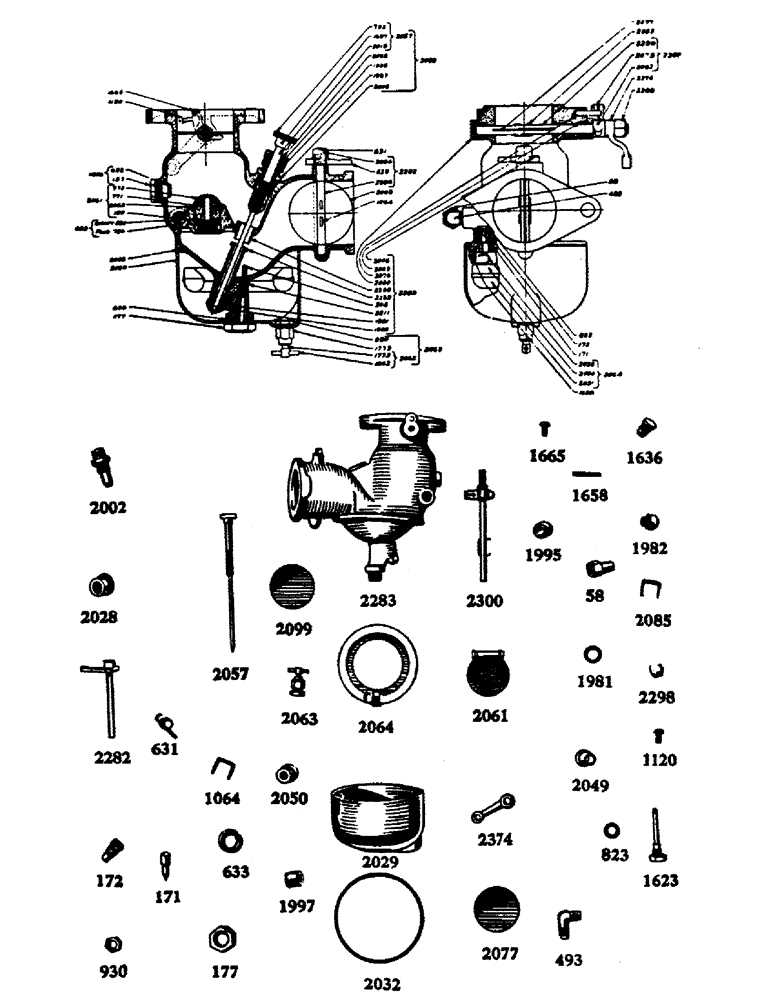
Запчасти Case IH LE (34) - O1709AB KINGSTON CARBURETOR, 1-1/2 INCH MODEL L3V, PRIOR TO ENGINE NUMBER LE302745

Схема запчастей Case IH LE - (34) - O1709AB KINGSTON CARBURETOR, 1-1/2 INCH MODEL L3V, PRIOR TO ENGINE NUMBER LE302745
FIT
1:1
100%

Артикул

Название

Примечание

Количество

58

STEEL PLATE

NUT, fuel connection (O1709AB carburetor, 29-34)

1шт.

58

STEEL PLATE

NUT, fuel connection (O1709AB1 carburetor, 34-45)

1шт.

171

VALVE, float (O1709AB carburetor, 29-34)

1шт.

171

VALVE, float (O1709AB1 carburetor, 34-45)

1шт.

172

DISC

SEAT, float valve (O1709AB carburetor, 29-34)

1шт.

172

DISC

SEAT, float valve (O1709AB1 carburetor, 34-35)

1шт.

177

NUT, fuel cup clamp (O1709AB carburetor, 29-34)

1шт.

177

NUT, fuel cup clamp (O1709AB1 carburetor, 34-35)

1шт.

493

PLOW DISC

ELBOW, fuel intake (O1709AB carburetor, 29-34)

1шт.

493

PLOW DISC

ELBOW, fuel intake (O1709AB1 carburetor, 34-35)

1шт.

631

SPRING, choke lever (O1709AB carburetor, 29-34)

1шт.

631

SPRING, choke lever (O1709AB carburetor, 34-35)

1шт.

633

GASKET, fuel cup lower. See 2032 (O1709AB carburetor, 29-34)

1шт.

633

GASKET, fuel cup lower. See 2032 (O1709AB1 carburetor, 34-35)

1шт.

823

BEARING ASSY

GASKET, fuel valve seat (O1709AB carburetor, 29-34)

1шт.

823

BEARING ASSY

GASKET, fuel valve seat (O1709AB carburetor, 34-35)

1шт.

930

NUT, drain body lock (O1709AB carburetor, 29-34)

1шт.

930

NUT, drain body lock (O1709AB1 carburetor, 34-35)

1шт.

1064

LAMP

STAPLE, throttle disc. Use 2085 (O1709AB carburetor, 29-34)

1шт.

1064

LAMP

STAPLE, throttle disc. Use 2085 (O1709AB1 carburetor, 34-35)

1шт.

1120

SCREW, adjusting, throttle stop (O1709AB carburetor, 29-34)

1шт.

1120

SCREW, adjusting, throttle stop (O1709AB1 carburetor, 34-35)

1шт.

1623

OIL SEAL

SHAFT, air valve, assembly (O1709AB carburetor, 29-34)

1шт.

1623

OIL SEAL

SHAFT, air valve, assembly (O1709AB1 carburetor, 34-35)

1шт.

1636

STOP, air valve, assembly (O1709AB carburetor, 29-34)

1шт.

1636

STOP, air valve, assembly (O1709AB1 carburetor, 34-35)

1шт.

1658

SHAFT, float lever (O1709AB carburetor, 29-34)

1шт.

1658

SHAFT, float lever (O1709AB1 carburetor, 34-35)

1шт.

1665

LIGHT, WARNING

SCREW, throttle adjusting lock, L302745 -. See X5385 (O1709AB carburetor, 29-34)

1шт.

1981

BULB

GASKET, needle stem seat (O1709AB carburetor, 29-34)

1шт.

1981

BULB

GASKET, needle stem seat (O1709AB1 carburetor, 34-35)

1шт.

1982

SEAT, needle stem, L302745 -. See 2328 (O1709AB carburetor, 29-34)

1шт.

1995

BEARING CUP,65.11mm OD x 13.97mm W

SLEEVE, packing, needle stem binder nut (O1709AB carburetor, 29-34)

1шт.

1995

BEARING CUP,65.11mm OD x 13.97mm W

SLEEVE, packing, needle stem binder nut (O1709AB1 carburetor, 34-35)

1шт.

1997

PACKING, needle stem binder nut (O1709AB carburetor, 29-34)

1шт.

1997

PACKING, needle stem binder nut (O1709AB1 carburetor, 34-35)

1шт.

2002

GROMMET

POST, needle stem, L302745 -. See C6990 (O1709AB carburetor, 29-34)

1шт.

2028

NUT, needle stem binder post (O1709AB carburetor, 29-34)

1шт.

2028

NUT, needle stem binder post (O1709AB1 carburetor, 34-35)

1шт.

2029

LAMP

CUP, fuel (O1709AB carburetor, 29-34)

1шт.

2029

LAMP

CUP, fuel (O1709AB1 carburetor, 34-35)

1шт.

NLS

NO LONGER SERVICED

GASKET, fuel cup, upper. See 633 (O1709AB carburetor, 29-34)

1шт.

NLS

NO LONGER SERVICED

GASKET, fuel cup, upper. See 633 (O1709AB1 carburetor, 34-35)

1шт.

2046

LAMP

PIN, choke stop, L302745 - (O1709AB carburetor, 29-34)

1шт.

2049

ELBOW

BUSHING, throttle stem (Open end) (O1709AB carburetor, 29-34)

1шт.

2049

ELBOW

BUSHING, throttle stem (Open end) (O1709AB1 carburetor, 34-35)

1шт.

2050

BODY

BUSHING, throttle stem (Closed end) (O1709AB carburetor, 29-34)

1шт.

2050

BODY

BUSHING, throttle stem (Closed end) (O1709AB1 carburetor, 34-35)

1шт.

2057

VALVE, needle, assembly, L302745 -. See C7001 (O1709AB carburetor, 29-34)

1шт.

2058

SHIM

POST, with needle stem, assembly, L302745 -. See C6985 (O1709AB carburetor, 29-34)

1шт.

2061

VALVE, air, assembly, L302745 -. See C6967 (O1709AB carburetor, 29-34)

1шт.

2062

NEEDLE, drain valve (O1709AB carburetor, 29-34)

1шт.

2062

NEEDLE, drain valve (O1709AB1 carburetor, 34-35)

1шт.

2063

LAMP

BODY, drain, with stem assembly (Fuel cup) (O1709AB carburetor, 29-34)

1шт.

2063

LAMP

BODY, drain, with stem assembly (Fuel cup) (O1709AB1 carburetor, 34-35)

1шт.

2064

LAMP

FLOAT ASSEMBLY (O1709AB carburetor, 29-34)

1шт.

2064

LAMP

FLOAT ASSEMBLY (O1709AB1 carburetor, 34-35)

1шт.

2074

PIN, throttle stop (O1709AB carburetor, 29-34)

1шт.

2074

PIN, throttle stop (O1709AB1 carburetor, 34-35)

1шт.

2077

DISC, throttle (O1709AB carburetor, 29-34)

1шт.

2077

DISC, throttle (O1709AB1 carburetor, 34-35)

1шт.

2085

STAPLE, throttle disc (O1709AB carburetor, 29-34)

1шт.

2085

STAPLE, throttle disc (O1709AB1 carburetor, 34-35)

1шт.

2099

EXCITER

DISC, choke throttle (O1709AB carburetor, 29-34)

1шт.

2099

EXCITER

DISC, choke throttle (O1709AB1 carburetor, 34-35)

1шт.

2282

LEVER, choke, assembly, L302745 -. See C7008 (O1709AB carburetor, 29-34)

1шт.

2283

BODY, carburetor, L302745 -. See C7004 (O1709AB carburetor, 29-34)

1шт.

2298

BOLT,Hex, 5/8" - 11 x 2 1/2", Gr 2

NUT, lock, throttle lever (O1709AB carburetor, 29-34)

1шт.

2298

BOLT,Hex, 5/8" - 11 x 2 1/2", Gr 2

NUT, lock, throttle lever (O1709AB1 carburetor, 34-35)

1шт.

2300

STEM, throttle, assembly, L302745 -. See C7016 (O1709AB carburetor, 29-34)

1шт.

2328

FITTING

SEAT, needle stem, L302744 +. See 1982 (O1709AB1 carburetor, 34-35)

1шт.

2374

WASHER

LEVER, throttle, L302745 -. See C7015 (O1709AB carburetor, 29-34)

1шт.

C6900

SCREW, adjusting, low speed, L302744 + (O1709AB1 carburetor, 34-35)

1шт.

C6967

VALVE, air, assembly, L302744 +. See 2061 (O1709AB1 carburetor, 34-35)

1шт.

C6977

PLUG, low speed adjusting hole, L302744 + (O1709AB1 carburetor, 34-35)

1шт.

C6985

POST, with needle stem, assembly, L302744 +. See 2058 (O1709AB1 carburetor, 34-35)

1шт.

C6990

POST, needle stem, L302744 +. See 2002 (O1709AB1 carburetor, 34-35)

1шт.

C7001

VALVE, needle, assembly, L302744 +. See 2057 (O1709AB1 carburetor, 34-35)

1шт.

C7004

BODY, carburetor, L302744 +. See 2283 (O1709AB1 carburetor, 34-35)

1шт.

C7008

LEVER, choke, assembly, L302744 +. See 2282 (O1709AB1 carburetor, 34-35)

1шт.

C7015

LEVER, throttle, L302744 +. See 2374 (O1709AB1 carburetor, 34-35)

1шт.

C7016

STEM, throttle, assembly, L302744 +. See 2300 (O1709AB1 carburetor, 34-35)

1шт.

X5385

SCREW, throttle adjusting lock, L302744 +. See 1665 (O1709AB1 carburetor, 34-35)

1шт.

Выбрано товаров: 83