Запчасти Case IH LE (60) - FAN AND WATER PUMP, FLAT TYPE BELT, PRIOR TO ENGINE NUMBER LE300723

Схема запчастей Case IH LE - (60) - FAN AND WATER PUMP, FLAT TYPE BELT, PRIOR TO ENGINE NUMBER LE300723
FIT
1:1
100%

Артикул

Название

Примечание

Количество

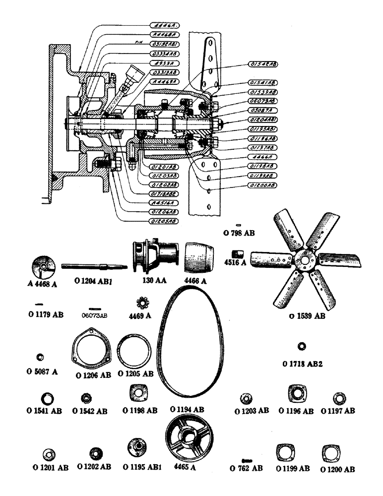
4465A

PULLEY, fan drive, lower, 7-1/2" diameter. Uses O1194AB belt, LE324436 - See 4779A (YR. 29-31)

1шт.

KEY, no. 152 Woodruff

1шт.

4466A

PULLEY, upper fan (YR. 29-34)

1шт.

4467A

BODY, water pump. Use 130AA

1шт.

A4468A

IMPELLER, water pump (YR. 29-34)

1шт.

4469A

NUT, packing, water pump. Use 1050AA

1шт.

A4469A

NUT, packing, water pump. Use 1050AA

1шт.

4516A

BUSHING, water pump. Use 1028AA

1шт.

A4516A

BUSHING, water pump. Use 1028AA

1шт.

4779A

PULLEY, fan drive, lower, 8-1/4" diameter. Uses O2696AB belt, LE324435 + See 4465A (YR. 31-34)

1шт.

4939A

WASHER, water pump body (Bronze) (YR. 29-34)

1шт.

O5087A

X

WASHER, fan shaft (YR. 29-34)

1шт.

O762AB

SCREW, set, for 4465A and 4779A pulleys (YR. 29-34)

1шт.

NUT, 1/2" hexagon half, N.C. thread

1шт.

O798AB

DOWEL, water pump bushing (YR. 29-34)

1шт.

O1179AB

PIN, water pump impeller (YR. 29-34)

1шт.

O1194AB

BELT, fan, for 4465A pulley, LE324436 - See O2696AB (YR. 29-31)

1шт.

O1195AB1

HUB, fan pulley (YR. 29-34)

1шт.

KEY, no. 11 Woodruff

1шт.

O1196AB

RETAINER, fan bearing felt (YR. 29-34)

1шт.

SCREW, 1/4" x 5/8" hexagon head cap, N.C. thread

4шт.

WASHER, 1/4" standard lock

4шт.

O1197AB

WASHER, felt, fan bearing, outer (YR. 29-34)

1шт.

O1198AB

RETAINER, fan bearing, outer (YR. 29-34)

1шт.

O1199AB

SHIM, fan bearing, no. 30 gauge (YR. 29-34)

4шт.

O1200AB

SHIM, fan bearing, .005" thick (YR. 29-34)

3шт.

O1201AB

RETAINER, fan bearing, inner (YR. 29-34)

1шт.

O1202AB

RETAINER, felt, fan bearing, inner (YR. 29-34)

1шт.

O1203AB

WASHER, felt, fan bearing, inner (YR. 29-34)

1шт.

O1204AB1

SHAFT, water pump and fan (YR. 29-34)

1шт.

NUT, 1/2" hexagon, castle, N.F. thread

1шт.

PIN, 3/32" x 7/8" cotter

1шт.

O1205AB

X

GASKET, water pump (YR. 29-34)

1шт.

O1206AB

RING, clamping, water pump body (YR. 29-34)

1шт.

SCREW, 3/8" x 1" hexagon head cap, N.C. thread

3шт.

O1539AB

FAN BLADE ASSEMBLY - 6 blade - 18" (YR. 29-34)

1шт.

SCREW, 3/8" x 1" hexagon head cap, N.C. thread

4шт.

WASHER, 3/8" standard lock

4шт.

O1541AB

CUP, water pump and fan shaft bearing, Timken no. O9194 (YR. 29-34)

2шт.

O1542AB

BEARING ASSY

CONE, water pump and fan shaft bearing, Timken no. O9074 (YR. 29-34)

2шт.

O1718AB2

PACKING, water pump (YR. 29-34)

2шт.

O2696AB

BELT, fan, used with 4779A, LE324435 + See O1194AB (YR. 31-34)

1шт.

O3152AB1

X

PIN, water pump impeller (YR. 32-34)

1шт.

O3313AB

TUBE, grease, for 1028AA bushing (YR. 29-34)

1шт.

CUP, 1/2 ounce, 1/8" grease

1шт.

O3334AB

SPRING, water pump (YR. 29-34)

1шт.

O6073AB

X

KEY, water pump and fan shaft (YR. 29-34)

1шт.

130AA

BODY, water pump, with bushing (YR. 29-34)

1шт.

PLUG, 1/8" pipe, square head

1шт.

FITTING, 1/8" - 90 degree lubricating, Lincoln no. 5400

1шт.

951AA

FAN AND WATER PUMP ASSEMBLY, with lower fan drive pulley and belt, less fan blades; to change from flat type belt to "V" type belt (YR. 29-34)

1шт.

1028AA

BUSHING ASSEMBLY (YR. 29-34), Consists of: 1 - A4516A bushing, 1 - A4469A nut, 2 - O1718AB2 packing, 1 - O3313AB grease tube and 1 - 1/2 oz. 1/8" male compression grease cup.

1шт.

1050AA

NUT, packing, with packing for water pump (YR. 29-34)

1шт.

Выбрано товаров: 53