Запчасти Case IH P110 (0.04.0) - CRANKCASE (02) - ENGINE

Схема запчастей Case IH P110 - (0.04.0) - CRANKCASE (02) - ENGINE
9
19
20
3
8
0.12.0
16
7
5
13
1
11
9
4
0.08.2
21
10
15
14
12
17
1
6
2
20
15
3
0.06.6
18
2
1
21
8
FIT
1:1
100%

Артикул

Название

Примечание

Количество

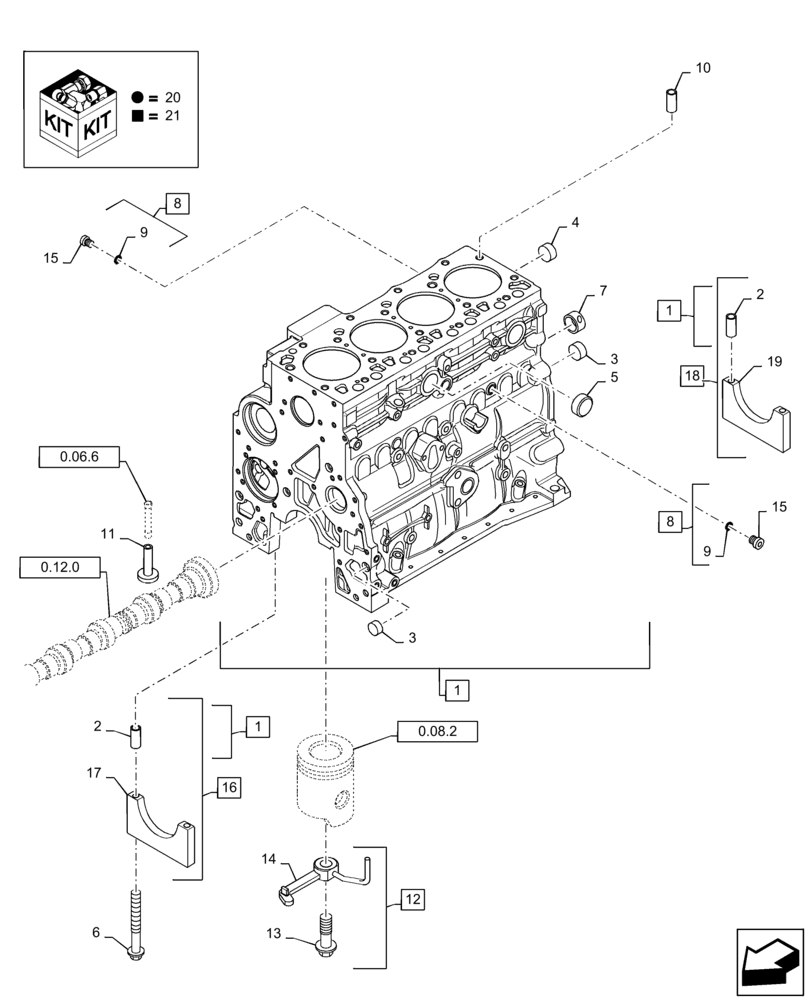
1

2830082

CYLINDER BLOCK,4 Cylinders

Assy, Incl 2 - 7

1шт.

2

4899026

DOWEL,M18 x 10

2шт.

3

4895039

EXPANSION PLUG,M17.73

3шт.

4

4895038

EXPANSION PLUG,M58.06

4шт.

5

4895228

EXPANSION PLUG,35.23mm x 7.94mm

2шт.

6

4891353

SCREW,Flg Hd, M12 x 1.5 x 120

10шт.

7

4895040

BUSHING,54.39mm ID x 59.39mm OD x 25.4mm L

5шт.

8

4895392

HEX SOCKET PLUG,M18 x 1.5

2шт.

9

4895393

O-RING,2.2mm Thk x 15.3mm ID

2шт.

10

4895049

DOWEL,M16.05 x 10

2шт.

11

4895180

TAPPET

8шт.

12

2852202

NOZZLE, PISTON COOLI

Incl 18, 19

4шт.

13

4894218

SCREW,Special, M8 x 20

1шт.

14

2852203

NOZZLE, PISTON COOLI

1шт.

15

4895394

HEX SOCKET PLUG,M18 x 1.5

1шт.

16

4895919

BEARING ASSY,86.1mm D

Incl 2, 17

4шт.

17

4892951

BEARING CAP,24.5 mm

1шт.

18

4895921

BEARING ASSY,86.1mm D

Incl 2, 19

1шт.

19

4892952

BEARING CAP,27.5 mm

1шт.

20

84131041

SHORT ENGINE

Kit, Short Block

1шт.

21

87478874

GASKET KIT

Block

1шт.

Выбрано товаров: 21