Запчасти Case IH P140 (10.102.02[01]) - CRANKCASE COVERS (10) - ENGINE

Схема запчастей Case IH P140 - (10.102.02[01]) - CRANKCASE COVERS (10) - ENGINE
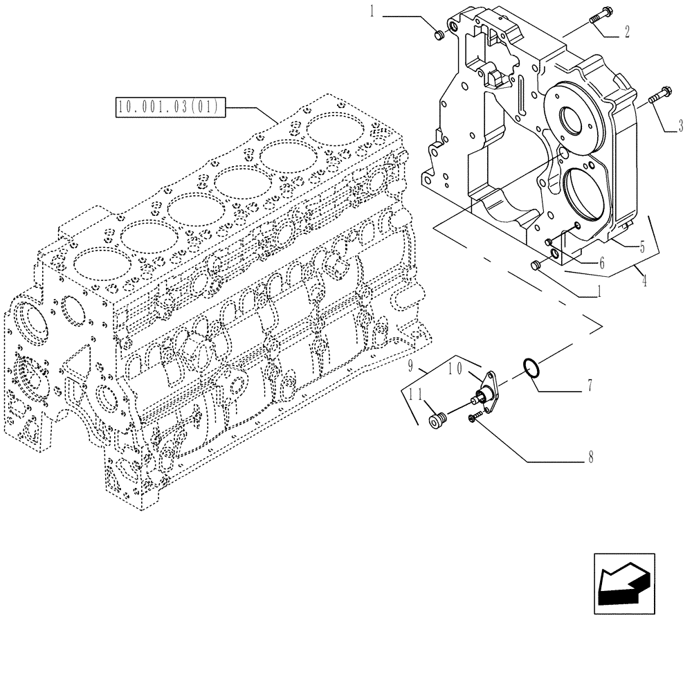
1
11
6
4
1
5
10
10.001.03(01)
2
3
9
8
7
FIT
1:1
100%

Артикул

Название

Примечание

Количество

1

4899026

DOWEL,M18 x 10

2шт.

2

4899091

SCREW,Hex Flange Cap, M8 x 1.25 x 40.00mm

4шт.

3

4899093

BOLT,Hex Flange, M10 x 30.00mm, Cl 10.9, PHC

5шт.

3

4899073

SCREW,Hex Flg, M12 x 1.75 x 30

1шт.

4

2852320

COVER

- ASSY, Inc. 5, 6

1шт.

5

NSS

NOT SOLD SEPARAT

COVER

1шт.

6

4899126

THREADED INSERT

2шт.

7

2852519

O-RING,M21.95 ID x 1.78 Thk

1шт.

8

4895355

SCREW,M5 x 0.8 x 17mm, Cl 8.8

2шт.

9

2855287

HOUSING

- ASSY, Timing Pin, Inc. 10, 11

1шт.

10

2855288

HOUSING

1шт.

11

2855289

HEX SOCKET PLUG

1шт.

Выбрано товаров: 12