Запчасти Case IH P140 (10.304.03) - HEAT EXCHANGER - ENGINE (10) - ENGINE

Схема запчастей Case IH P140 - (10.304.03) - HEAT EXCHANGER - ENGINE (10) - ENGINE
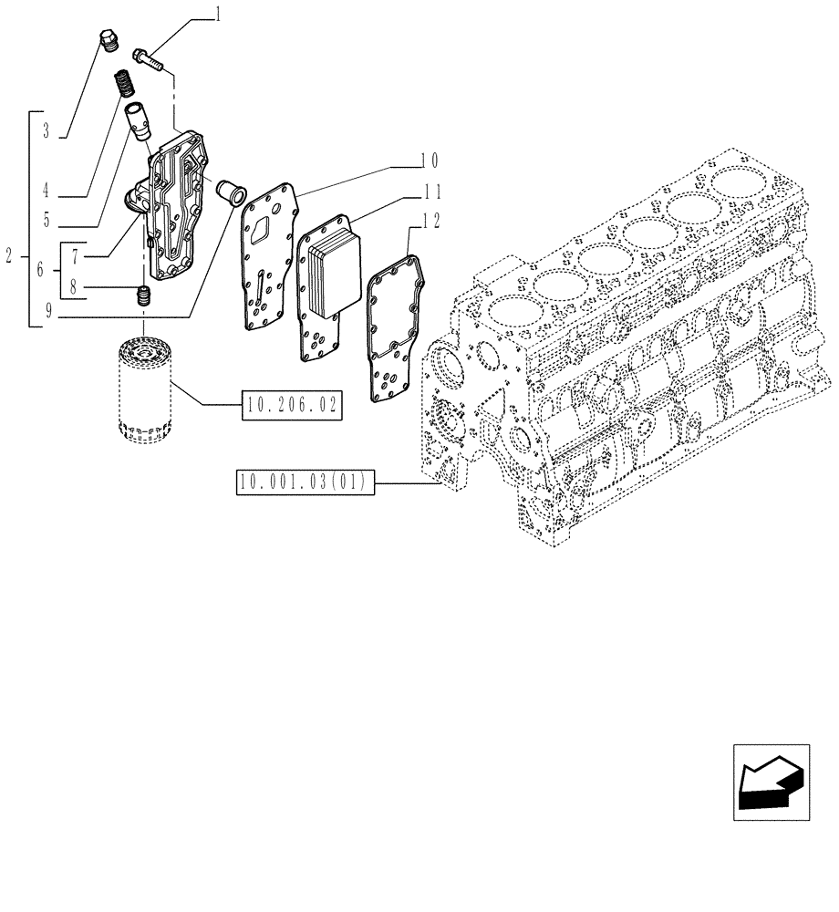
9
2
1
7
6
5
8
3
11
10
12
10.001.03(01)
10.206.02
4
FIT
1:1
100%

Артикул

Название

Примечание

Количество

1

4899019

SCREW,Hex Flg, M8 x 1.25 x 35

15шт.

2

2853782

OIL COOLER

- ASSY, Inc. 3 - 9

1шт.

3

2853781

PLUG,Hex, M22 x 1.5 ORB

1шт.

4

4895045

SPRING,Compression, 14.7mm OD x 66mm L

1шт.

5

4896404

PLUNGER,10mm ID, 12mm OD, 15.44mm ID, 18.26mm OD

1шт.

6

4899643

FILTER HEAD

- ASSY, Inc. 7, 8

1шт.

7

NSS

NOT SOLD SEPARAT

HEAD, Filter

1шт.

8

2853057

PLUG

1шт.

9

J936365

VALVE PRESSURE RELIE

1шт.

10

4896409

GASKET,1.55mm Thk

1шт.

11

2853604

OIL COOLER

1шт.

12

2830559

GASKET,0.5mm Thk

1шт.

Выбрано товаров: 12