Запчасти Case IH P140 (55.301.01) - ALTERNATOR MOUNTING (55) - ELECTRICAL SYSTEMS

Схема запчастей Case IH P140 - (55.301.01) - ALTERNATOR MOUNTING (55) - ELECTRICAL SYSTEMS
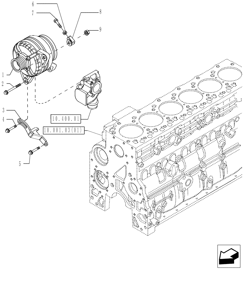
10.001.03(01)
9
7
10.400.01
8
4
6
3
2
5
1
FIT
1:1
100%

Артикул

Название

Примечание

Количество

1

2855975

ALTERNATOR

- ASSY

1шт.

1

2855975R

REMAN-ALTERNATOR

P140, Tier 3

1шт.

1

2855975C

CORE-ALTERNATOR

Return Number

1шт.

2

2853153

ADJUSTER

1шт.

3

2853152

BELT TENSIONER

1шт.

4

2852630

FLANGE BOLT,Hex, M10 x 1.5 x 55mm

1шт.

5

2852629

TENSIONER

1шт.

6

2853012

BOLT,Hex, M8 x 100mm

1шт.

7

2855912

SCREW

1шт.

8

2852236

FLANGE NUT,M10 x 1.5

1шт.

9

2852234

FLANGE BOLT,Hex, M8 x 1.25 x 20mm

1шт.

Выбрано товаров: 11