Запчасти Case IH P170 (0.32.6) - THERMOSTART (02) - ENGINE

Схема запчастей Case IH P170 - (0.32.6) - THERMOSTART (02) - ENGINE
6
8
5
9
2
7
4
0.06.0
3
1
FIT
1:1
100%

Артикул

Название

Примечание

Количество

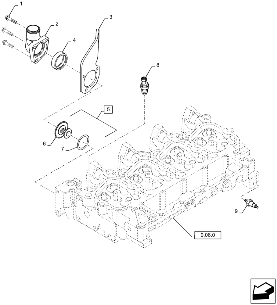
1

4899091

SCREW,Hex Flange Cap, M8 x 1.25 x 40.00mm

3шт.

2

87803567

HOUSING

1шт.

3

2856571

BRACKET

1шт.

4

2853133

GASKET,51.5mm ID x 61.5mm OD x 16.5mm Thk

1шт.

5

2858050

THERMOSTAT,60.8mm OD

Incl 6, 7

1шт.

6

2858051

THERMOSTAT

1шт.

7

2852473

GASKET,53.62mm ID x 59.72mm OD x 4.01mm Thk

1шт.

8

2852157

SENSOR

Thermosensor Grid Heater

1шт.

9

84293493

TEMPERATURE SENDER

Sensor/Switch Coolant Temp

1шт.

Выбрано товаров: 9