Качественные детали и логистика
Оригинальные и аналоговые запчасти с доставкой по России, Казахстану и Беларуси
©2022 PartSell ООО "Система" ИНН 2463123282 ОГРН 1212400004838
Центральный офис: г. Красноярск, Академика Киренского, д.87, пом.4
Телефон: 8 (800) 777-65-74 Email: zakaz@partsell.ru
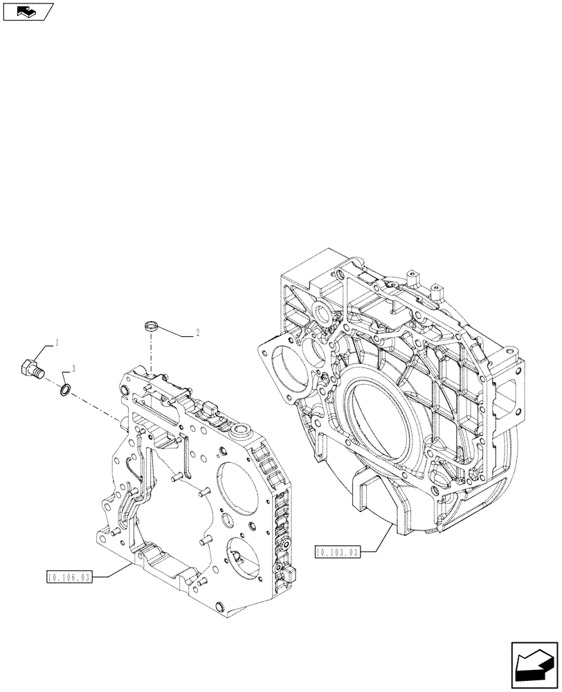
(10.101.03) - BREATHER - ENGINE (504207231) (Jun 7 2011 2:03PM)
№
Артикул
Название
Примечание
Количество
1
10300511
PLUG,M12 x 1.5 x 12, Cl5.8
1шт.
2
2856545
PLUG
3
2854292
SEALING WASHER,12mm ID x 17mm OD x 1.5mm Thk
Выбрано товаров: 0