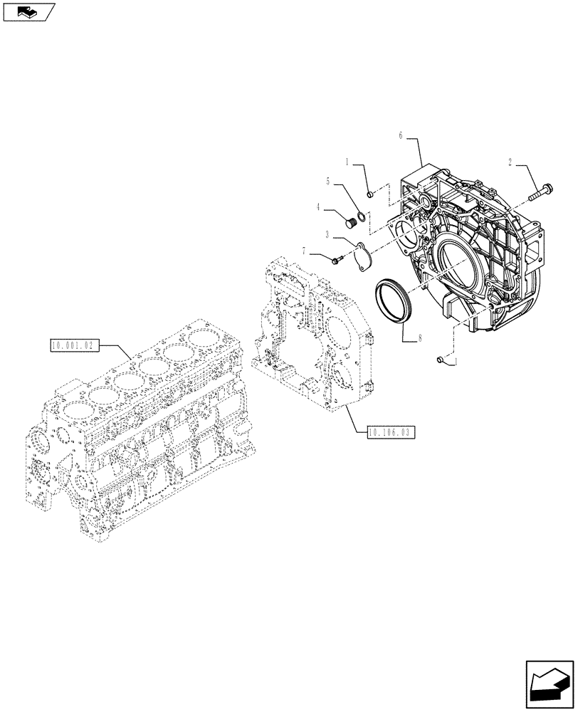
Запчасти Case IH P240 (10.103.03) - FLYWHEEL (504173097) (Jun 7 2011 1:37PM) (10) - ENGINE

Схема запчастей Case IH P240 - (10.103.03) - FLYWHEEL (504173097) (Jun 7 2011 1:37PM) (10) - ENGINE
5
10.106.03
1
1
8
6
2
3
home
10.001.02
7
4
FIT
1:1
100%

Артикул

Название

Примечание

Количество

1

4899026

DOWEL,M18 x 10

2шт.

2

4899109

SCREW,Hex, M10 x 1.5 x 80

2шт.

2

2852865

FLANGE BOLT,Hex, Shldr, Lkg, M10 x 33mm

2шт.

2

4892915

FLANGE BOLT,Hex, M10 x 1.5 x 40mm

7шт.

2

4899143

SCREW,Hex Flg, M10 x 1.5 x 140

1шт.

2

4899076

SCREW,Hex Flg, M12 x 1.75 x 80

6шт.

2

4897499

SCREW,Hex, M12 x 1.75 x 110mm

M12 X 110

2шт.

3

4895155

COVER

1шт.

4

4895378

BUTTON PLUG,M29.2

1шт.

5

4895379

O-RING,21.82mm ID x 3.53mm Width

1шт.

6

504173089

1шт.

7

4899068

BOLT,Flng, M8 x 1.25 x 16mm

M8 X 17

2шт.

8

4890833

OIL SEAL,M130 x 155 x 12.5/16

1шт.

Выбрано товаров: 13