Запчасти Case IH P240 (10.106.01) - CAMSHAFT (504101885) (JUN 7 2011 1:37PM) (10) - ENGINE

Схема запчастей Case IH P240 - (10.106.01) - CAMSHAFT (504101885) (JUN 7 2011 1:37PM) (10) - ENGINE
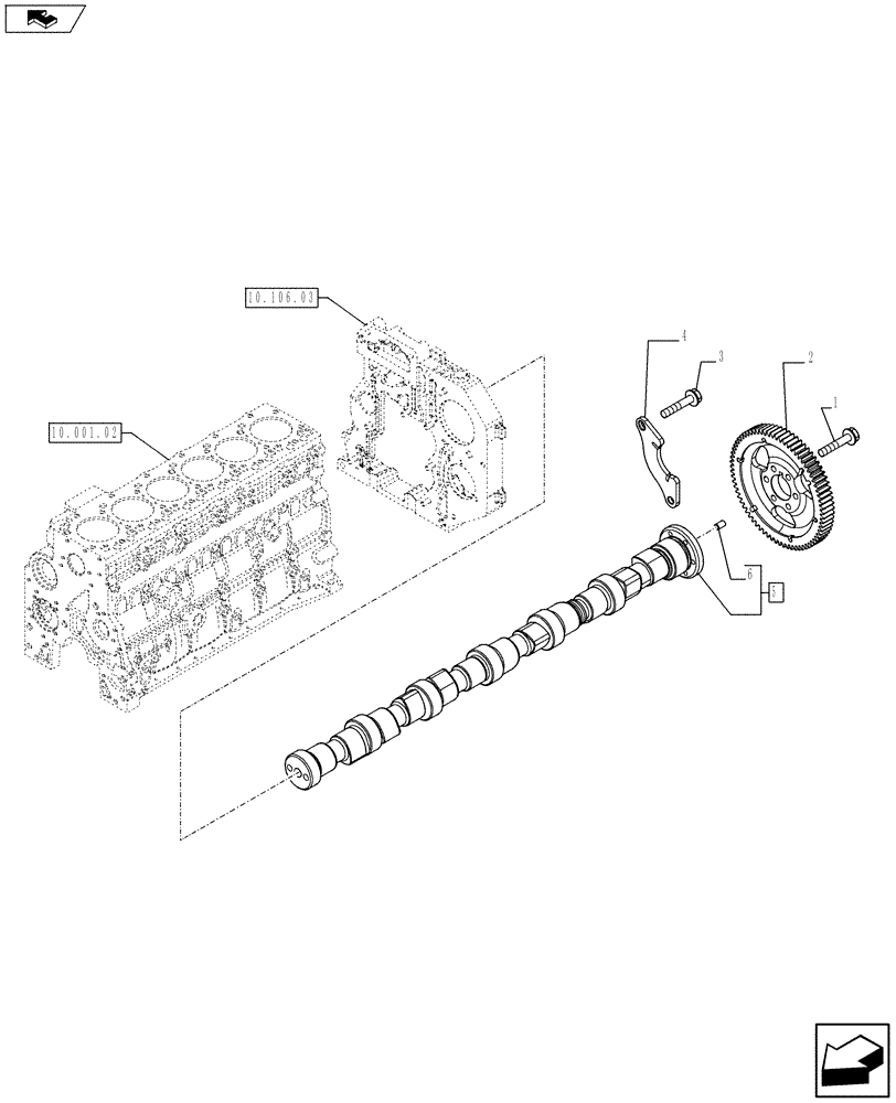
6
3
10.001.02
5
2
1
4
home
10.106.03
FIT
1:1
100%

Артикул

Название

Примечание

Количество

1

4899079

SCREW,Hex Flg, M8 x 1.25 x 25

6шт.

2

4896380

DRIVEN GEAR

1шт.

3

4899068

BOLT,Flng, M8 x 1.25 x 16mm

2шт.

4

4897457

SUPPORT

1шт.

5

2854604

CAMSHAFT

ASSY

1шт.

2854604R

REMAN-CAMSHAFT

P215, P240

1шт.

2854604C

CORE-CAMSHAFT

Return Number

1шт.

6

4899080

DOWEL,M6 x 8 L

1шт.

Выбрано товаров: 8