Качественные детали и логистика
Оригинальные и аналоговые запчасти с доставкой по России, Казахстану и Беларуси
©2022 PartSell ООО "Система" ИНН 2463123282 ОГРН 1212400004838
Центральный офис: г. Красноярск, Академика Киренского, д.87, пом.4
Телефон: 8 (800) 777-65-74 Email: zakaz@partsell.ru
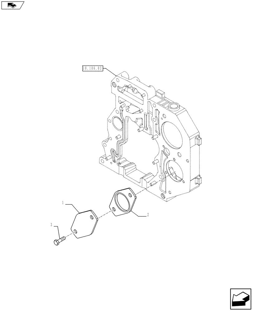
(10.114.02) - POWER TAKE OFF (504035155) (Jun 7 2011 2:03PM)
№
Артикул
Название
Примечание
Количество
1
2852175
COVER
1шт.
2
4896897
GASKET,1.35mm Thk
3
4899037
SCREW
M12 x 25
2шт.
Выбрано товаров: 0