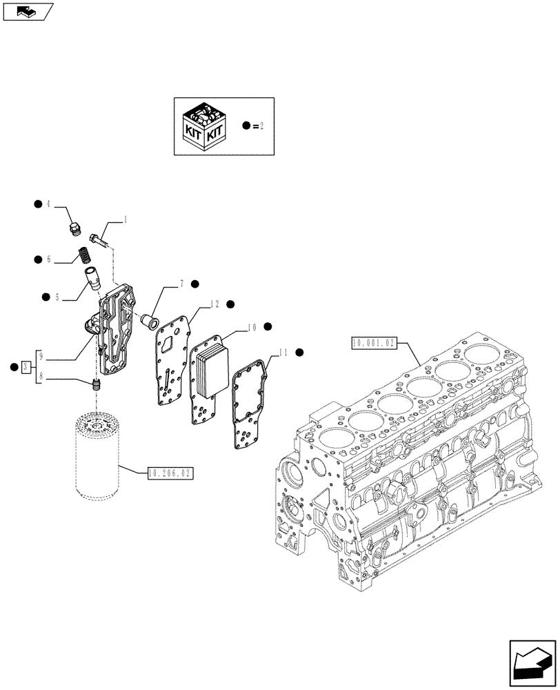
Запчасти Case IH P240 (10.408.01) - HEAT EXCHANGER - ENGINE (504096820) (Jun 7 2011 2:03PM) (10) - ENGINE

Схема запчастей Case IH P240 - (10.408.01) - HEAT EXCHANGER - ENGINE (504096820) (Jun 7 2011 2:03PM) (10) - ENGINE
9
2
1
2
12
2
2
2
2
10
2
3
6
4
11
2
7
2
10.001.02
10.206.02
2
8
home
5
FIT
1:1
100%

Артикул

Название

Примечание

Количество

1

4899019

SCREW,Hex Flg, M8 x 1.25 x 35

15шт.

2

2853780

FILTER HEAD

1шт.

3

4899566

FILTER HEAD

ASSY

1шт.

4

504096409

PLUG

1шт.

5

4896404

PLUNGER,10mm ID, 12mm OD, 15.44mm ID, 18.26mm OD

1шт.

6

4895045

SPRING,Compression, 14.7mm OD x 66mm L

1шт.

7

J936365

VALVE PRESSURE RELIE

1шт.

8

4893391

ADAPTER,M24 x 2 x M27 x 2

1шт.

9

NSS

NOT SOLD SEPARAT

1шт.

10

4896406

HEAT EXCHANGER

1шт.

11

2830559

GASKET,0.5mm Thk

1шт.

12

4896409

GASKET,1.55mm Thk

1шт.

Выбрано товаров: 12