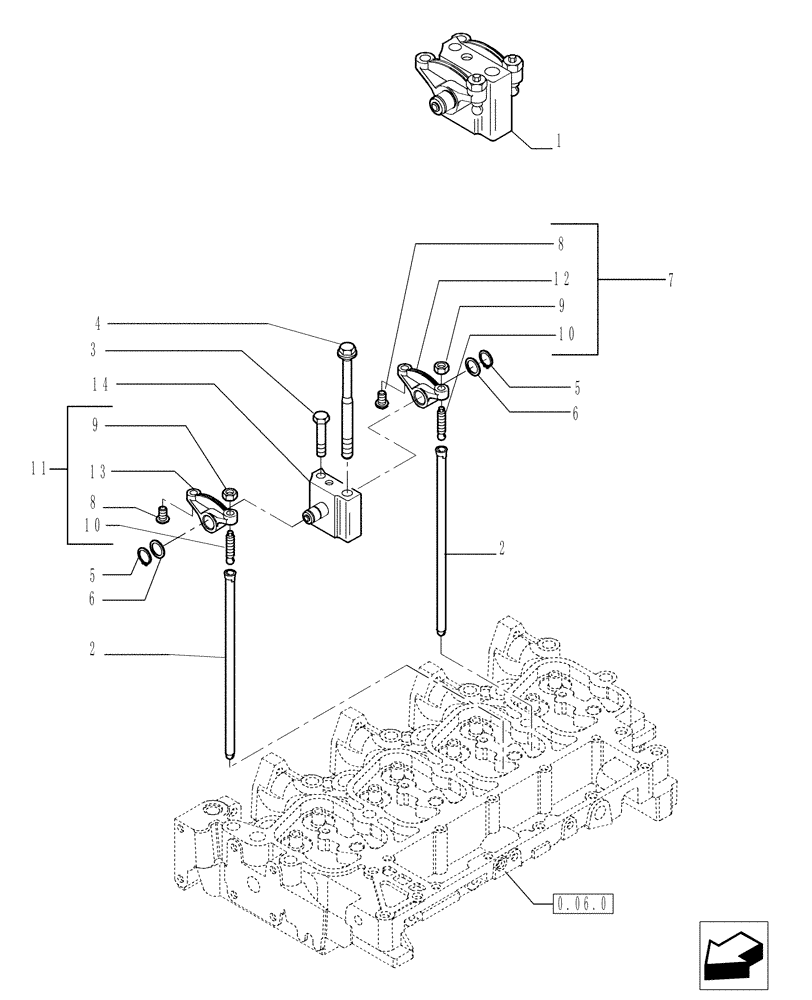
Запчасти Case IH P70 (0.06.6[01]) - ROCKER SHAFT (02) - ENGINE

Схема запчастей Case IH P70 - (0.06.6[01]) - ROCKER SHAFT (02) - ENGINE
10
6
3
11
5
5
2
8
1
1
10
8
2
14
1
0.06.0
9
1
6
13
1
7
9
12
1
4
FIT
1:1
100%

Артикул

Название

Примечание

Количество

1

4895195

ROCKER

- Assy, Incl. 5 - 13

4шт.

2

4895361

PUSH ROD

8шт.

3

2852866

BOLT,Flng, M8 x 1.25 x 75mm, Cl 8.8

4шт.

4

4892860

BOLT,Flng, M12 x 1.75 x 183mm

4шт.

5

4895363

SNAP RING

2шт.

6

4895364

WASHER

2шт.

7

4895196

ROCKER ARM,Exhaust

- Assy, Incl. 8 - 10, 12

1шт.

8

4895365

INSERT

2шт.

9

4895198

NUT,3/8"-24, Heavy

2шт.

10

4895199

ADJUSTMENT SCREW,3/8" - 24 x 25.85mm

2шт.

11

4895200

ROCKER ARM,Intake

- Assy, Incl. 8 - 10, 13

1шт.

12

4895197

1шт.

12

4895201

1шт.

14

4895204

SHAFT

1шт.

Выбрано товаров: 14