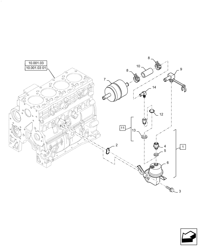
Запчасти Case IH P70 (10.210.01) - FUEL PUMP AND IN LINE FUEL FILTER (10) - ENGINE

Схема запчастей Case IH P70 - (10.210.01) - FUEL PUMP AND IN LINE FUEL FILTER (10) - ENGINE
3
6
11
14
10.001.03 01
10.001.03
4
1
9
13
10
7
12
2
5
8
8
FIT
1:1
100%

Артикул

Название

Примечание

Количество

1

2830266

FUEL PUMP

Incl 4-6

1шт.

1

2830266C

FUEL PUMP

N.A. ONLY

1шт.

2

2830156

O-RING,70 Duro, M2.62 Thk

1шт.

3

4899031

BOLT,Flng, M8 x 1.25 x 25mm

2шт.

4

4890964

FITTING,M12 x 1.5

2шт.

5

4894721

SEALING WASHER,12.2mm ID x 17mm OD x 1.5mm Thk

2шт.

6

2830122

FUEL PUMP

1шт.

2830122R

REMAN-INJECTION PUMP

Reman Fuel Pump

1шт.

6

2830122C

CORE-INJECTION PUMP

N.A. ONLY

1шт.

7

D139225

FILTER, FUEL

1шт.

8

1348264C1

HOSE CLAMP

2шт.

9

87414560

90 ELBOW

1шт.

10

NS

NOT SERVICED

CUT 3 INCHES FROM 364357C2

1шт.

11

47362442

ADAPTER

FITTING, M12 TO 1/4 NPT, Used in place of 4890964, Incl 12-13, Start Serial: DJA0024222

1шт.

12

5185510

O-RING,1.78mm Thk x 9.25mm ID, 85 Duro

1шт.

13

NSS

NOT SOLD SEPARAT

WASHER, SEALING, Incl in 11

1шт.

14

87016896

FITTING,90 Degree, 3/8" Hose x 1/4" NPTF, Barbed

Used with 47362442 fitting, Start Serial: DJA0024222

1шт.

Выбрано товаров: 17