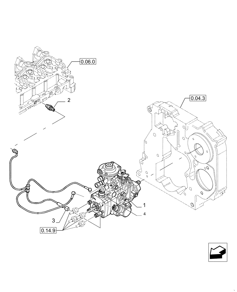
Запчасти Case IH P85 (0.14.0/1[01]) - INJECTION PUMP - P85 (02) - ENGINE

Схема запчастей Case IH P85 - (0.14.0/1[01]) - INJECTION PUMP - P85 (02) - ENGINE
3
4
0.14.9
0.04.3
1
0.06.0
2
FIT
1:1
100%

Артикул

Название

Примечание

Количество

1

2853529

FUEL INJECTION PUMP

- ASSY

1шт.

2853529R

REMAN-INJECTION PUMP

P85 (ENG MDL F4GE0454A*) -Tier 2 (11/2007-01/2009)

1шт.

2853529C

CORE-INJECTION PUMP

Return Number

1шт.

2

2856350

SENSOR

Temp KSB

1шт.

3

2852088

WIRE HARNESS

1шт.

4

2852741

SOLENOID

(Not Shown)

1шт.

Выбрано товаров: 6