Качественные детали и логистика
Оригинальные и аналоговые запчасти с доставкой по России, Казахстану и Беларуси
©2022 PartSell ООО "Система" ИНН 2463123282 ОГРН 1212400004838
Центральный офис: г. Красноярск, Академика Киренского, д.87, пом.4
Телефон: 8 (800) 777-65-74 Email: zakaz@partsell.ru
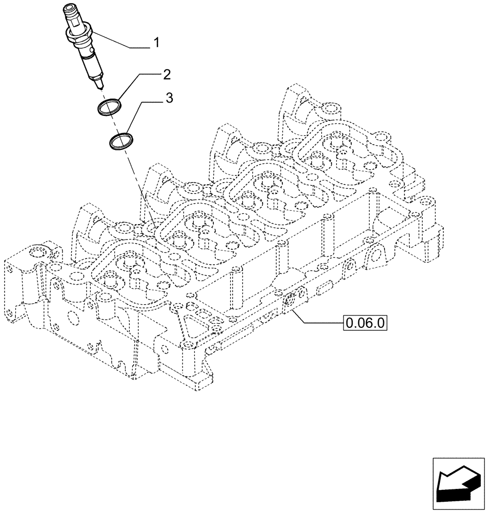
(0.14.0/1[02]) - INJECTION EQUIPMENT - INJECTOR - P85
№
Артикул
Название
Примечание
Количество
1
2852056
FUEL SYSTEM INJECTOR
INJECTOR, FUEL SYSTEM
4шт.
2852056R
REMAN-FUEL INJECTOR
P85 TIER 2 (11/2007-01/2009)
2852056C
CORE-FUEL INJECTOR
Return Number
1шт.
2
2856436
SEALING WASHER,7.3mm ID x 15mm OD x 1.5mm Thk
3
4895297
SEAL,7.3mm ID x 15mm OD x 2.5mm THK
Выбрано товаров: 0