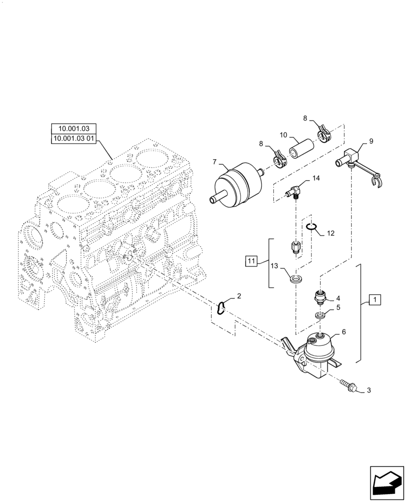
Запчасти Case IH P85 (0.20.1[01]) - FUEL PUMP AND IN LINE FUEL FILTER (02) - ENGINE

Схема запчастей Case IH P85 - (0.20.1[01]) - FUEL PUMP AND IN LINE FUEL FILTER (02) - ENGINE
4
8
12
10.001.03 01
5
10
3
7
11
2
14
8
1
6
10.001.03
9
13
FIT
1:1
100%

Артикул

Название

Примечание

Количество

1

2830266

FUEL PUMP

Inc. 4 - 6

1шт.

2830266R

REMAN-FUEL LIFT PUMP

P70(ENG MDL #F4GE0404A*) & P85(ENG MDL #F4GE0454A*)- BOTH (TIER 2), (11/2007 - 1/2009)

1шт.

2830266C

FUEL PUMP

Return Number

1шт.

2

2830156

O-RING,70 Duro, M2.62 Thk

1шт.

3

4899031

BOLT,Flng, M8 x 1.25 x 25mm

2шт.

4

4890964

FITTING,M12 x 1.5

2шт.

5

4894721

SEALING WASHER,12.2mm ID x 17mm OD x 1.5mm Thk

2шт.

6

2830122

FUEL PUMP

1шт.

2830122R

REMAN-INJECTION PUMP

Reman Fuel Pump

1шт.

2830122C

CORE-INJECTION PUMP

Return Number, FUEL INJECTION PUMP - for N.A. Only

1шт.

7

D139225

FILTER, FUEL

1шт.

8

1348264C1

HOSE CLAMP

2шт.

9

87414560

90 ELBOW

1шт.

10

NS

NOT SERVICED

Cut 3 inches from 364357C2

1шт.

11

47362442

ADAPTER

Fitting, M12 TO 1/4 NPT, Used in place of 4890964, Incl 12 - 13

1шт.

12

5185510

O-RING,1.78mm Thk x 9.25mm ID, 85 Duro

Not Serviced Seperately

1шт.

13

NSS

NOT SOLD SEPARAT

Washer, Sealing, Incl in 11

1шт.

14

87016896

FITTING,90 Degree, 3/8" Hose x 1/4" NPTF, Barbed

Used with 47362442 fitting

1шт.

Выбрано товаров: 18