Запчасти Case IH P85 (0.20.3[02]) - FUEL LINE & INLINE FILTER (02) - ENGINE

Схема запчастей Case IH P85 - (0.20.3[02]) - FUEL LINE & INLINE FILTER (02) - ENGINE
7
17
17
17
4
14
17
17
17
4
8
17
6
3
17
10
10
17
5
13
17
17
7
16
17
12
17
10
17
17
11
17
17
17
17
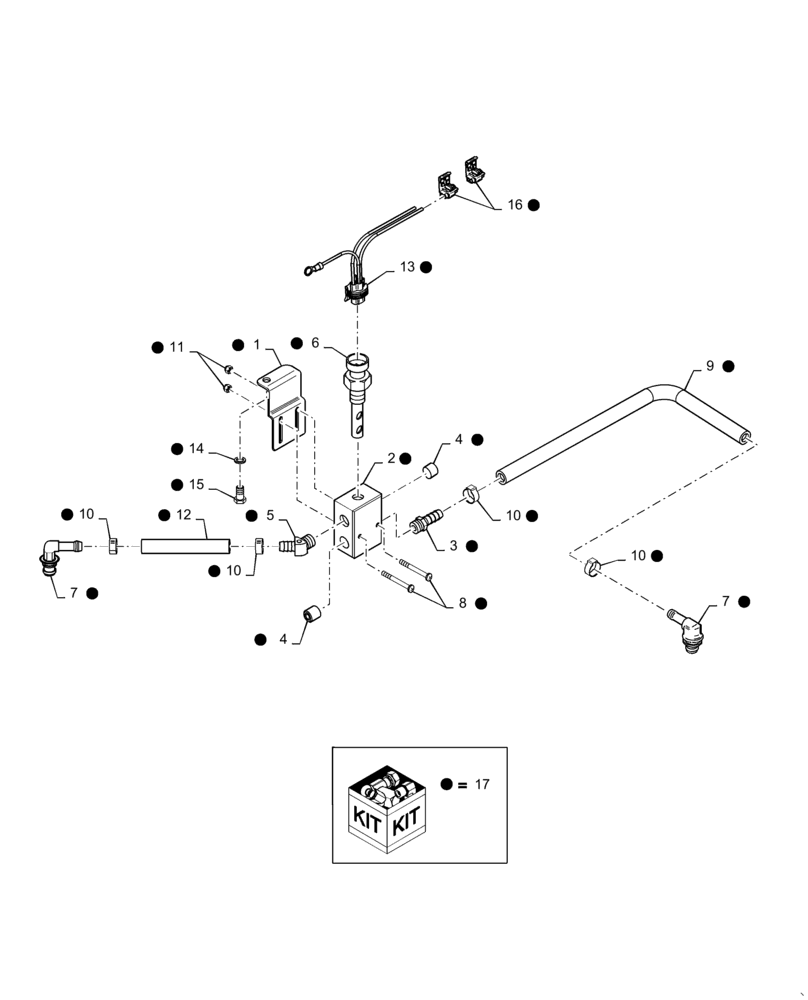
1
2
9
15
17
17
17
17
10
FIT
1:1
100%

Артикул

Название

Примечание

Количество

1

47400383

BRACKET

1шт.

2

47400370

BLOCK

1шт.

3

86509027

FITTING,3/8" Hose x 1/4" NPTF, Barbed

1шт.

4

217-459

DRAIN PLUG,Sq Soc, 1/4" - 18 NPTF

2шт.

5

217-142

ELBOW,45 Degree Elbow, 3/8" Hose Barb x 1/4" Male NPTF

1шт.

6

47400379

SENSOR

1шт.

7

87414560

90 ELBOW

2шт.

8

190-105

SCREW,Phil Pan Hd, #10 - 32 x 1 3/4"

2шт.

9

364357C2

HOSE,9.53mm ID x 304.8mm L, SAE 30R7

Cut to 265 mm

2шт.

10

86625022

HOSE CLAMP,6.3mm - 15.7mm

4шт.

11

20332

LOCK NUT,#10-32, GB

2шт.

12

364357C2

HOSE,9.53mm ID x 304.8mm L, SAE 30R7

Cut to 95 mm

1шт.

13

47431075

WIRE HARNESS

1шт.

14

83990583

LOCK WASHER,M8 x 14.8mm OD x 2.1mm Thk

1шт.

15

120104

BOLT,Hex, M8 x 1.25 x 20mm, Cl 8.8

1шт.

16

PL

PROCURE LOCALLY

Connector, Wire, Scotchlok 804

2шт.

17

47400279

SERVICE KIT

Air in Fuel, Incl 1 - 16 (Replaces 84606864 Fuel Pressure Kit or Fuel Line 2830480)

1шт.

Выбрано товаров: 0