Качественные детали и логистика
Оригинальные и аналоговые запчасти с доставкой по России, Казахстану и Беларуси
©2022 PartSell ООО "Система" ИНН 2463123282 ОГРН 1212400004838
Центральный офис: г. Красноярск, Академика Киренского, д.87, пом.4
Телефон: 8 (800) 777-65-74 Email: zakaz@partsell.ru
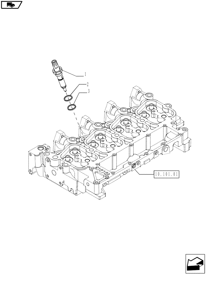
(10.218.01) - INJECTION EQUIPMENT - INJECTOR
№
Артикул
Название
Примечание
Количество
1
2856255
FUEL SYSTEM INJECTOR
Inc. 2
4шт.
2856255R
REMAN-FUEL INJECTOR
Reman For New PN 2856255
2856255C
CORE-FUEL INJECTOR
Return Number
2
2856436
SEALING WASHER,7.3mm ID x 15mm OD x 1.5mm Thk
3
4895297
SEAL,7.3mm ID x 15mm OD x 2.5mm THK
Выбрано товаров: 0