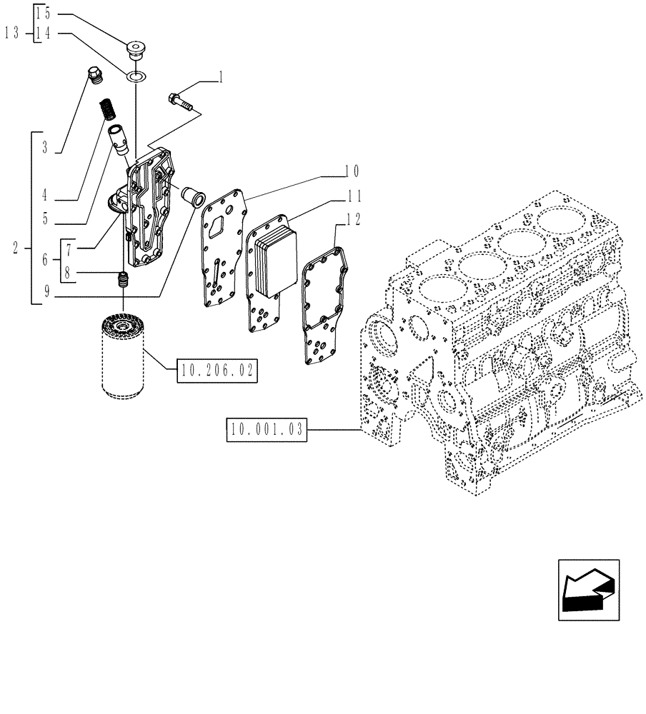
Запчасти Case IH P85 (10.304.03) - HEAT EXCHANGER - ENGINE (10) - ENGINE

Схема запчастей Case IH P85 - (10.304.03) - HEAT EXCHANGER - ENGINE (10) - ENGINE
12
6
5
14
1
2
15
10.001.03
10.206.02
9
3
8
7
11
13
4
10
FIT
1:1
100%

Артикул

Название

Примечание

Количество

1

4899019

SCREW,Hex Flg, M8 x 1.25 x 35

15шт.

2

2853782

OIL COOLER

Assy, Engine, Incl 3 - 9

1шт.

3

2853781

PLUG,Hex, M22 x 1.5 ORB

1шт.

4

4895045

SPRING,Compression, 14.7mm OD x 66mm L

1шт.

5

4896404

PLUNGER,10mm ID, 12mm OD, 15.44mm ID, 18.26mm OD

1шт.

6

4899643

FILTER HEAD

Assy, Incl 7 - 8

1шт.

7

4899266

Oil Filter

1шт.

8

4893391

ADAPTER,M24 x 2 x M27 x 2

1шт.

9

J936365

VALVE PRESSURE RELIE

1шт.

10

4896409

GASKET,1.55mm Thk

1шт.

11

2853722

HEAT EXCHANGER

1шт.

12

2830559

GASKET,0.5mm Thk

1шт.

13

4897330

HEX SOCKET PLUG,M12 x 1.5

Assy, Incl 14 - 15

1шт.

14

4895610

O-RING,2.2mm Thk x 9.3mm ID

1шт.

15

4897459

PLUG,M12 x 1.5 x 11.5mm L

1шт.

Выбрано товаров: 15