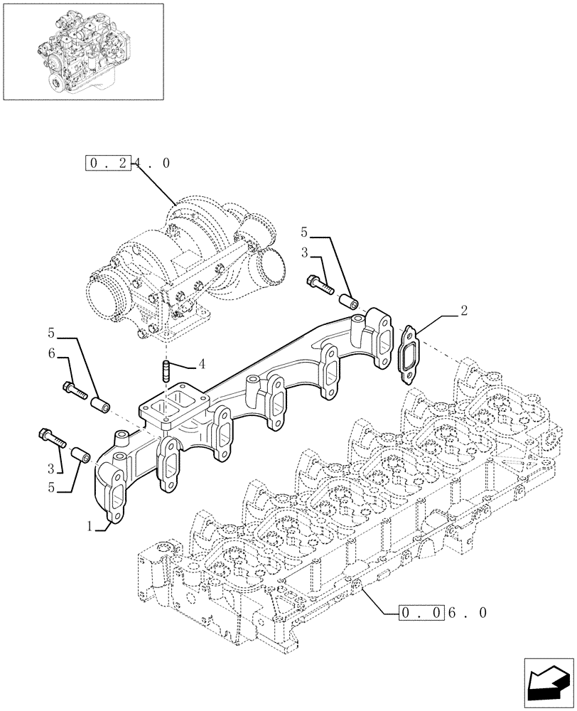
Запчасти Case IH PX140 (0.07.7[01]) - EXHAUST MANIFOLD (504086425) (02) - ENGINE

Схема запчастей Case IH PX140 - (0.07.7[01]) - EXHAUST MANIFOLD (504086425) (02) - ENGINE
0.06.0
1
5
6
5
5
2
3
0.24.0
3
4
FIT
1:1
100%

Артикул

Название

Примечание

Количество

1

2852335

EXHAUST MANIFOLD

1шт.

2

2852743

MANIFOLD GASKET,1.4mm Thk

6шт.

3

2852745

SCREW

SCREW, M10X1,5X95

4шт.

4

4899085

STUD,M10 x 1.5 x 42mm

4шт.

5

4895336

SPACER

12шт.

6

2852744

SCREW,Flng, M10 x 1.5 x 65mm

M10X1,5X65

8шт.

Выбрано товаров: 6