Качественные детали и логистика
Оригинальные и аналоговые запчасти с доставкой по России, Казахстану и Беларуси
©2022 PartSell ООО "Система" ИНН 2463123282 ОГРН 1212400004838
Центральный офис: г. Красноярск, Академика Киренского, д.87, пом.4
Телефон: 8 (800) 777-65-74 Email: zakaz@partsell.ru
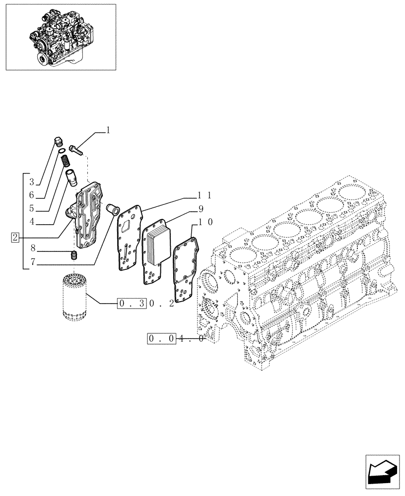
(0.31.5[01]) - HEAT EXCHANGER - ENGINE (4896805)
№
Артикул
Название
Примечание
Количество
1
4899019
SCREW,Hex Flg, M8 x 1.25 x 35
15шт.
2
4892774
FILTER HEAD
- ASSY
1шт.
3
4895043
PLUG
4
4896404
PLUNGER,10mm ID, 12mm OD, 15.44mm ID, 18.26mm OD
5
4895045
SPRING,Compression, 14.7mm OD x 66mm L
6
4899035
O-RING,2.62mm Thk x 18.39mm ID
7
J936365
VALVE PRESSURE RELIE
8
4893391
ADAPTER,M24 x 2 x M27 x 2
9
4896407
OIL COOLER
10
4895742
GASKET
11
4896409
GASKET,1.55mm Thk
Выбрано товаров: 0