Запчасти Case IH PX190 (02-12) - WASTEGATE ACTUATOR (02) - ENGINE

Схема запчастей Case IH PX190 - (02-12) - WASTEGATE ACTUATOR (02) - ENGINE
2
6
5
3
12
10
1
9
4
7
11
8
6
FIT
1:1
100%

Артикул

Название

Примечание

Количество

J597311

TURBOCHARGER

Inc. 1 - 12, Also Inc. 2 - 22, See Figure 02-11

1шт.

A78040R

REMAN-TURBOCHARGER

PX190, PX215, PX240 all (1/03-) Reman For New P/N J597311

1шт.

A78040C

CORE-TURBOCHARGER

Return Number

1шт.

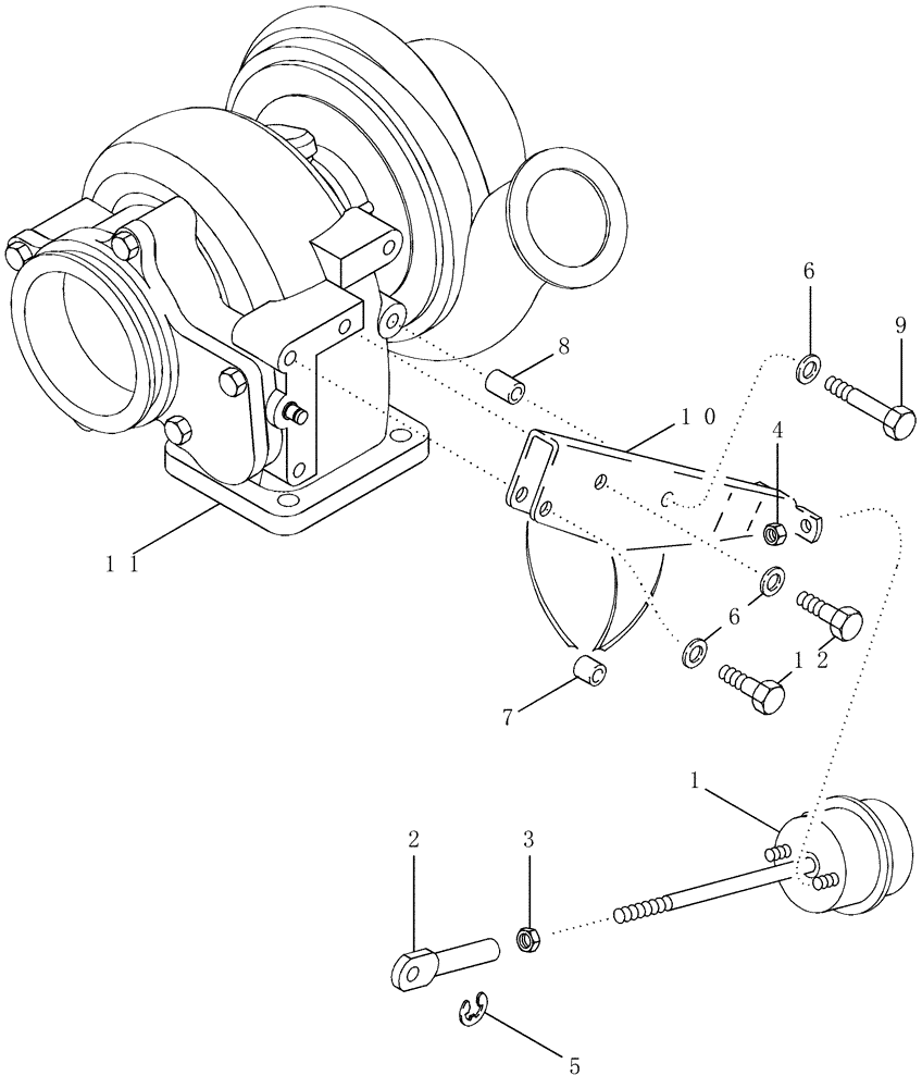
1

J593678

ACTUATOR

1шт.

1

J593678R

REMAN-SOLENOID

Cummins - ACTUATOR - Wastegate

1шт.

1

J593678C

CORE-SOLENOID

Return Number, ACTUATOR

1шт.

2

J528177

LINK

1шт.

3

425-155

JAM NUT,Jam, 5/16"-24, G5

1шт.

4

J592050

NUT

2шт.

5

J528221

CIRCLIP

1шт.

NSS

NOT SOLD SEPARAT

Housing, Inc. 6 - 12

1шт.

6

895-11008

WASHER,9mm ID x 16mm OD x 1.6mm Thk

3шт.

7

J532195

SPACER,9.38mm ID x 16.03mm OD x 13.7mm L

13,6 mm

3шт.

8

J532196

SPACER,9.38mm ID x 16.03mm OD x 19mm L

19 mm

1шт.

9

814-8050

BOLT,Hex, M8 x 1.25 x 50mm, Cl 8.8

1шт.

10

J533328

SUPPORT

1шт.

11

NSS

NOT SOLD SEPARAT

Housing

1шт.

12

814-8035

BOLT,Hex, M8 x 1.25 x 35mm, Cl 8.8

2шт.

Выбрано товаров: 18