Запчасти Case IH PX85 (0.04.3[02]) - CRANKCASE COVERS (4894734) (02) - ENGINE

Схема запчастей Case IH PX85 - (0.04.3[02]) - CRANKCASE COVERS (4894734) (02) - ENGINE
5
3
2
0.04.0
1
4
5
FIT
1:1
100%

Артикул

Название

Примечание

Количество

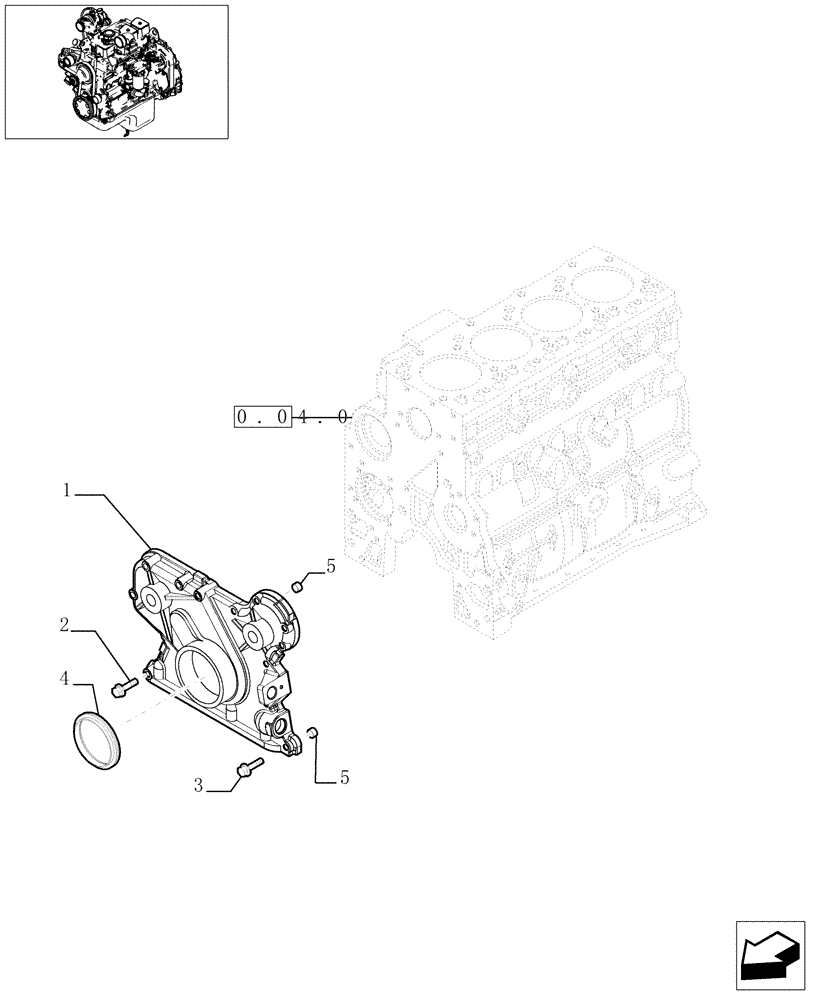
1

4897026

COVER

- FRONT

1шт.

2

4899078

SCREW,Hex Flg, M8 x 1.25 x 45

5шт.

3

4899063

SCREW,Hex Flg, M8 x 1.25 x 30

8шт.

4

4890832

OIL SEAL,M70 x 100 x 12.5/16

1шт.

5

4891209

DOWEL,M13 x 8 L

2шт.

Выбрано товаров: 5