Запчасти Case IH 100A (10.106.AA) - CAMSHAFT & TIMING CONTROL (10) - ENGINE

Схема запчастей Case IH 100A - (10.106.AA) - CAMSHAFT & TIMING CONTROL (10) - ENGINE
10.001.ab
6
3
10.102.bb 02
4
5
7
1
2
FIT
1:1
100%

Артикул

Название

Примечание

Количество

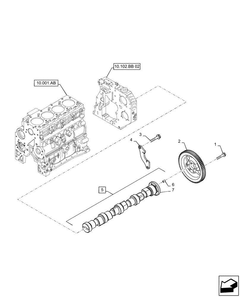
1

4899079

SCREW,Hex Flg, M8 x 1.25 x 25

6шт.

2

4896381

GEAR

Camshaft

1шт.

3

4899068

BOLT,Flng, M8 x 1.25 x 16mm

2шт.

4

4897457

SUPPORT

Camshaft

1шт.

5

2859627

CAMSHAFT

Incl 6 -7

1шт.

6

4899080

DOWEL,M6 x 8 L

Incl with 5

1шт.

7

2859628

CAMSHAFT

Incl with 5

1шт.

Выбрано товаров: 7