Запчасти Case IH 100A (10.218.AE) - FUEL SYSTEM INJECTOR LINES (10) - ENGINE

Схема запчастей Case IH 100A - (10.218.AE) - FUEL SYSTEM INJECTOR LINES (10) - ENGINE
2
2
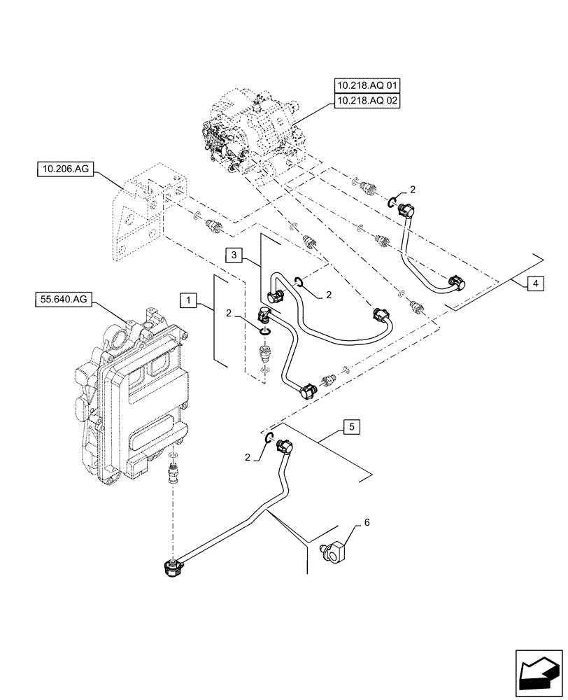
3
2
10.218.aq 01
4
1
55.640.ag
2
6
10.206.ag
5
10.218.aq 02
FIT
1:1
100%

Артикул

Название

Примечание

Количество

1

2855427

INJECTION PIPE

Filter to Injection Pump, Incl 2

1шт.

2

4894095

O-RING,2.5mm Thk x 8mm ID, 60 Duro

Incl with 1, 3 - 5

6шт.

3

2855428

INJECTION PIPE

Filter to Injection Pump, Incl 2

1шт.

4

2855430

INJECTION PIPE

Filter to Injection Pump, Incl 2

1шт.

5

2855795

INJECTION PIPE

ECU to Injection Pump, Incl 2

1шт.

6

4896996

CLAMP,8mm D Clamping pipes

Fuel Pipe

1шт.

Выбрано товаров: 6