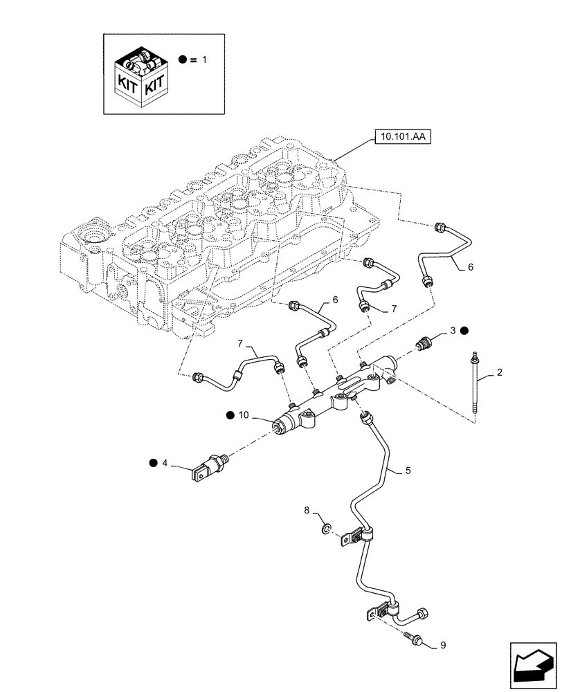
Запчасти Case IH 100A (10.218.AI[01]) - FUEL INJECTOR LINES - SUPPLY (10) - ENGINE

Схема запчастей Case IH 100A - (10.218.AI[01]) - FUEL INJECTOR LINES - SUPPLY (10) - ENGINE
10.101.aa
1
1
2
7
1
7
9
1
4
3
6
6
8
1
10
5
FIT
1:1
100%

Артикул

Название

Примечание

Количество

1

2859255

MANIFOLD

Incl 3 - 4, 10

1шт.

2

2853537

BOLT,Hex Flange Head Cap M8 x 1.25 x 125mm

M8

3шт.

3

2854543

VALVE PRESSURE RELIE

Incl with 1

1шт.

4

2859145

SENSOR

Pressure, Incl with 1

1шт.

5

2857022

PIPE

Supply

1шт.

6

2857017

PIPE

Number 2 & 4 Injector

2шт.

7

2857020

PIPE

Number 1 & 3 Injector

2шт.

8

2852434

SPACER

Clamp

1шт.

9

4896884

BOLT,Flng, M8 x 1.25 x 16mm, Cl 10.9

1шт.

10

NSS

NOT SOLD SEPARAT

Manifold, Incl with 1

1шт.

Выбрано товаров: 10